Specifications
Manuals
Brands
MICRO-AIR Manuals
Business equipment
RP8
11
12
13
14
15
16
17
18
19
20
19
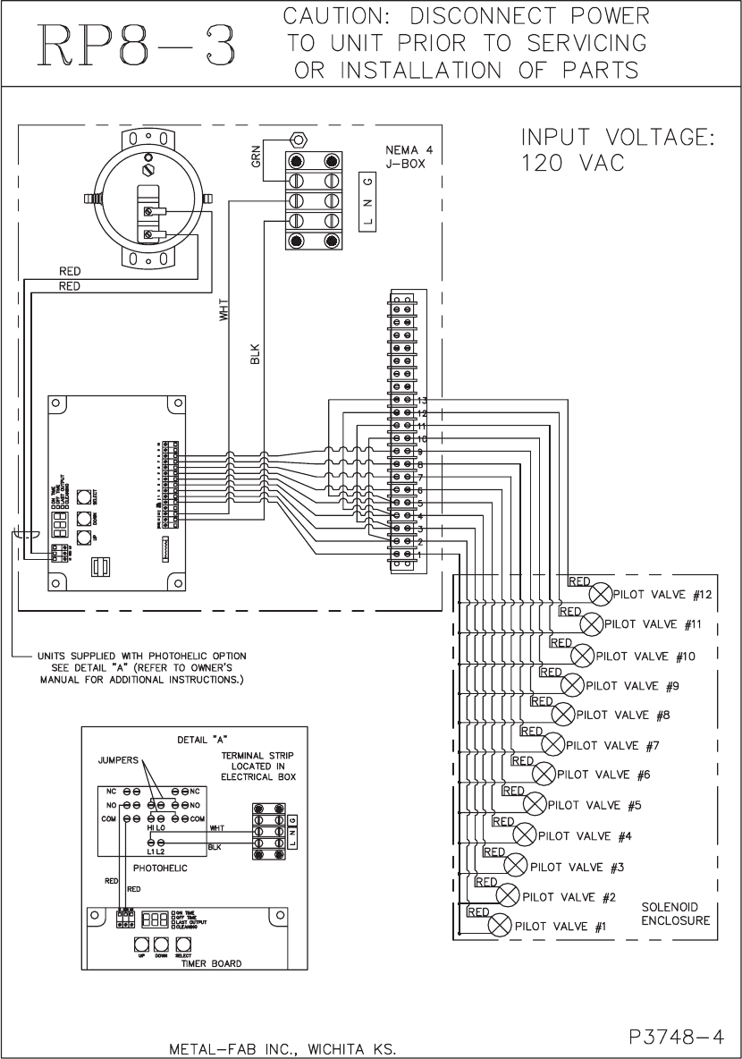
RP8-3 WIRING DIAGRAM
FIGURE 19
1
...
...
17
18
19
20
21
...
22