Specifications
Manuals
Brands
MICRO-AIR Manuals
Business equipment
RP8
11
12
13
14
15
16
17
18
19
20
17
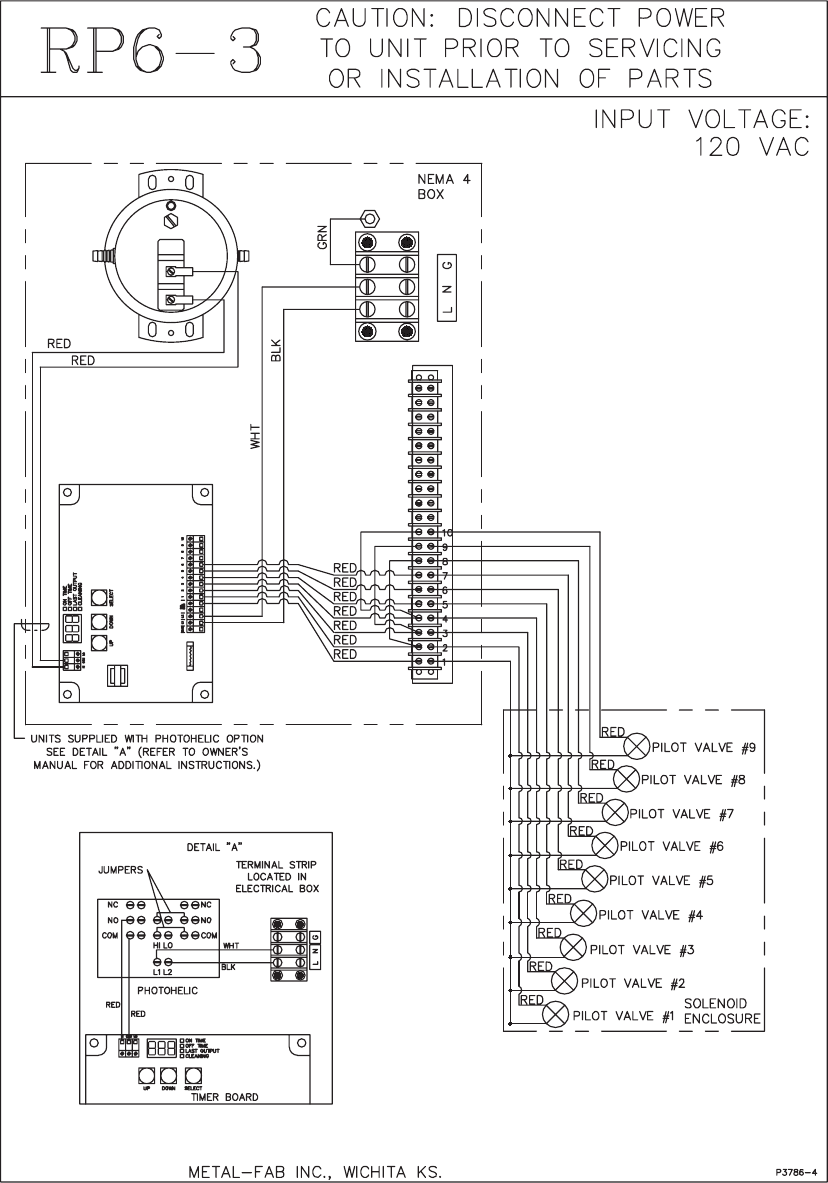
RP6-3 WIRING DIAGRAM
FIGURE 17
1
...
...
15
16
17
18
19
...
...
22