Specifications
Table Of Contents
- ENGLISH
- OPERATION
- TABLE OF CONTENTS
- SAFETY PRECAUTIONS
- SAFETY LABELS
- MACHINE COMPONENTS
- CONTROL CONSOLE SYMBOLS
- MACHINE INSTALLATION
- MACHINE SETUP
- MACHINE OPERATION
- DRAINING TANKS
- ADJUSTING SCRUB HEAD
- REMOVING BRUSHES/PADS
- CHANGING SCRUB HEADS
- CHARGING BATTERIES
- MACHINE MAINTENANCE
- MACHINE JACKING
- TRANSPORTING MACHINE
- STORING MACHINE
- RECOMMENDED STOCK ITEMS
- TROUBLESHOOTING
- SPECIFICATIONS
- MACHINE DIMENSIONS
- ELECTRICAL DIAGRAMS
- PARTS LIST
- REPLACEMENT BRUSH AND PAD DRIVER GROUP
- SOLUTION TANK GROUP
- RECOVERY TANK GROUP
- CONTROL CONSOLE GROUP
- COMPONENT PANEL GROUP
- DRIVE GROUP
- SCRUB HEAD ACTUATOR GROUP
- DISK SCRUB HEAD GROUP
- DISK SCRUB HEAD GROUP
- CYLINDRICAL BRUSH SCRUB HEAD GROUP
- CYLINDRICAL BRUSH SCRUB HEAD GROUP
- SQUEEGEE CONTROL GROUP
- SQUEEGEE ASSEMBLY GROUP -- STD. WIDTH, 838 mm (33 in)
- SOLUTION GROUP, STANDARD MODEL
- SOLUTION GROUP, FaST MODEL
- SOLUTION GROUP, FaST MODEL -- CONTINUED
- FaST SOLUTION PUMP BREAKDOWN
- FaST AIR PUMP BREAKDOWN
- BATTERY AND CHARGER GROUP
- BATTERY CABLE GROUP
- OPTIONS
- OPERATION
- ESPAÑOL
- OPERACIÓN
- ÍNDICE
- MEDIDAS DE SEGURIDAD
- ADHESIVOS DE SEGURIDAD
- COMPONENTES DE LA MÁQUINA
- SÍMBOLOS DEL PANEL DE CONTROL
- INSTALACIÓN DE LA MÁQUINA
- PREPARACIÓN DE LA MÁQUINA
- OPERACIÓN DE LA MÁQUINA
- VACIADO DE LOS TANQUES
- AJUSTE DEL CABEZAL DE FREGADO
- EXTRACCIÓNDECEPILLOS/ALMOHADILLAS
- SUSTITUCIÓN DE LOS CABEZALES DEFREGADO
- CARGA DE LAS BATERÍAS
- MANTENIMIENTO DE LA MÁQUINA
- ELEVACIÓN DE LA MÁQUINA
- TRANSPORTE DE LA MÁQUINA
- ALMACENAMIENTO DE LA MÁQUINA
- RECOMENDACIONES PARA ELALMACENAMIENTO
- LOCALIZACIÓN DE AVERÍAS
- ESPECIFICACIONES
- DIMENSIONES DE LA MÁQUINA
- DIAGRAMAS ELECTRICA
- LISTA DE PIEZAS
- SUSTITUCIÓN DEL CONJUNTO DE CEPILLOS E IMPULSOR DE LA ALMOHADILLA
- GRUPE DEL DEPÓSITO DE DISOLUCIÓN
- CONJ. DESPOSITO RECUPERAR
- CONJUNTO CONSOLA DE CONTROLES
- GRUPO TABLERO DE COMPONONTÉ
- GRUPO DE TRANSMISIÓN
- GRUPO DEL ACTUADOR DEL CABEZAL DE FREGADO
- GRUPO DEL CABEZAL DE FREGADO DE DISCO, 610 mm (24 pulg)
- GRUPO DEL CABEZAL DE FREGADO DE DISCO, 660 mm (26 pulg)
- GRUPO DEL CABEZAL DE FREGADO CON CEPILLO CILÍNDRICO, 610 mm (24 pulg)
- GRUPO DEL CABEZAL DE FREGADO CON CEPILLO CILÍNDRICO, 610 mm (24 pulg) - CONT.
- GRUPO DE CONTROL DE LA ESCOBILLA DE GOMA
- CONJUNTO PALETA, 838 mm (33 pulg)
- GRUPO DE SOLUCION, MODELO ESTANDARD
- GRUPO DE SOLUCIÓN, MODELO FaST
- GRUPO DE SOLUCIÓN, MODELO FaST, CONTINUACIÓN
- AVERÍA DE LA BOMBA DE DISOLUCIÓN
- AVERÍA DE LA BOMBA DE AIRE
- CONJUNTO DE BATERÍA Y CARGADOR
- GRUPO CABLE DE LA BATERÍA
- OPCIONES
- OPERACIÓN
- FRANÇAIS
- FONCTIONNEMENT
- TABLE DES MATIÈRES
- MESURES DE SÉCURITÉ
- ÉTIQUETTES DE MISE EN GARDE
- MACHINE COMPONENTS
- CONTROL CONSOLE SYMBOLS
- INSTALLATION DE LA MACHINE
- MISE EN SERVICE DE LA MACHINE
- UTILISATION DE LA MACHINE
- VIDANGE DES RESERVOIRS
- REGLAGE DE LA TETE DE BROSSAGE
- RETRAIT DES BROSSES/PATINS
- CHANGEMENT DES TETES DEBROSSAGE
- CHARGE DES BATTERIES
- ENTRETIEN DE LA MACHINE
- SOULEVEMENT AU CRIC DE LAMACHINE
- TRANSPORT DE LA MACHINE
- ENTREPOSAGE DE LA MACHINE
- PIECES DE STOCK RECOMMANDEES
- DEPISTAGE DES PANNES
- DONNEES TECHNIQUES
- DIMENSIONS DE LA MACHINE
- SYSTÈM ÉLECTRIQUE
- LISTE DES PIÈCES
- GROUPE REMPLACEMENT DES BROSSES ET DU PIGNON MENANT DE PATIN
- ENSEMBLE DU RÉSERVOIR DE SOLUTION
- GROUPE RESERVOIR DE RECUPERATION
- GROUPE TABLEAU DE COMMANDE
- TABLEAU DES COMPOSANTS
- GROUPE D’ENTRAINEMENT
- GROUPE VERIN DE TETE DE BROSSAGE
- GROUPE TETE DE BROSSAGE A DISQUE, 610 mm (24 in)
- GROUPE TETE DE BROSSAGE A DISQUE, 660 mm (26 in)
- GROUPE TETE DE BROSSAGE CYLINDRIQUE, 610 mm (24 in)
- GROUPE TETE DE BROSSAGE CYLINDRIQUE, 610 mm (24 in) - CONT.
- GROUPE COMMANDE DE RACLOIR
- GROUPE DE LA RACLETTE, 838 mm (33 in)
- GROUPE DE SOLUTION, MODÈLE STANDARD
- GROUPE SOLUTION, MODÈLE FaST
- GROUPE SOLUTION, MODÈLE FaST -- CONTINUÉ
- PANNE DE POMPE A SOLUTION
- PANNE DE POMPE A AIR
- GROUPE DE BATTERIE ET DE CHARGEUR
- GROUPE CABLES DES BATTERIES
- ÉQUIPEMENT AU CHOIX
- FONCTIONNEMENT

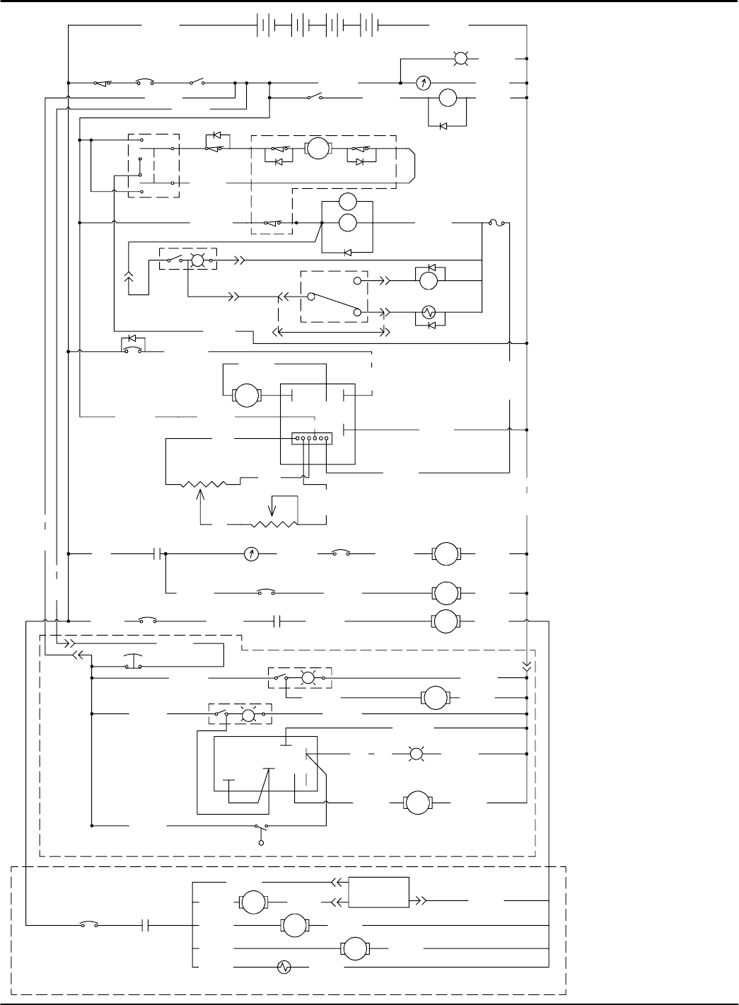
ELECTRICAL DIAGRAMS - DIAGRAMAS ELECTRICA - SYSTÈM ÉLECTRIQUE
109
Tennant 5400 (02--06)
--
+
ORG RED
BLK
ACTUA TOR
MOTOR
-- 19-- ORG
-- 73-- BLK
SOLUTION
SOLENOID
ES
PUMP
TANK FULL INDICATOR
BREAKER
CIRCUIT
RED
-- 43--
CR 3
GRN
-- 94--
10A
-- 95--
ORG
-- 86-- GRN
-- 82-- GRN
DETERGENT
VAL UE
-- 104-- YEL
FLOAT
-- 103-- ORG
PULSE
PUMP
-- 96-- BLU
-- 9 7 -- B R N
-- 88-- WHT
-- 102-- BRN
SWITCH
SOL.
PUMP
ES TIMER RELAY
30 SECOND
-- 76--
BLU
BLU
-- 78--
DELAY
G
-- 74--
ORG
-- 101-- BLK
-- 99-- BLK
AIR
PUMP
3
2
-- 100-- BLK
MODULE
PULSING
1
-- 72-- ORG
-- 70-- PUR
-- 77-- BLK
B
-- 15-- BLK
-- 64-- ORG
R
D
E
-- 38--
RED
-- 36-- RED
-- 84-- GRN
G
POTENTIOMETER
G
N
R
-- 20--
G
N
R
-- 32--
CIRCUIT
BREAKER
GRN
-- 80--
-- 34-- RED
-- 20-- GRN
EMERGENCY
STOP SWITCH
25A
RED
CR 2
-- 18-- GRN
15A DRIVE
CIRCUIT
BREAKER
RED
-- 58--
BLU
-- 16--
BRUSH HEIGHT
ADJUSTMENT
-- 14--
GRN
BLK
-- 9 --
SOLUTION
SWITCH
654 3 21
-- 40-- RED
-- 56-- BRN
G
WAND PUMP SWITCH
EXTENDED
SCRUB SWITCH
-- 28-- TAN
CR 1
#2 30A
CIRCUIT
BREAKER
METER
DASH SPEED
ADJUSTMENT
BRUSH PRESSURE
BLK
20K
BLK
5K
WHT
-- 50-- TAN
-- 42-- WHT
R
CIRCUIT
BREAKER
#1 30A
D
E
B--
-- 44-- RED
-- 91-- BLK
-- 30--
BLU
YEL
-- 89--
SPEED
CONTROLLER
-- 24--
GRY
-- 17-- BLK
MOTOR
DRIVE
-- 93-- GRN
-- 7-- BLK
-- 48--
RED
M2
-- 26-- GRN
LIMIT
LOWER
BRUSH MOTOR
UPPER LIMIT
CONTROL SWITCH
WHT
B+
M1
JUMPER
-- 64--
O
R
G
-- 90--
BLU
-- 37--
ORG
DOWN LIMIT
CONTACTOR
FAST
CR2
BRUSH
-- 62--
BLU
HOUR
METER
-- 41--
PUMP
FAST OPTIONAL
OPTIONAL
-- 105-- BLK
-- 71-- BLK
-- 75-- BLK
-- 5-- BLK
-- 79-- BLK
-- 29-- BLK
WAND
BRUSH
VACUUM
MOTOR
MOTOR
-- 23-- BLK
-- 25-- BLK
MOTOR
BRUSH
B
-- 27-- BLK
K
L
-- 31--
ORG
ORG
-- 21--
-- 91--
K
B
L
CR3
-- 92--
ORG
-- 13--
FUSE
2A
-- 60-- GRN
VOLT
METER
-- 68--
ORG
-- 46--
-- 20-- GRN
KEY
SWITCH
RED
-- 2 --
-- 34-- RED
10A
BREAKER
-- 4 --
-- 12--
GRN
RED
CHARGER
SAFETY
SWITCH
-- 6 --
RED
-- 32-- GRN
24 VDC
SWITCH
VACUUM
GRN
-- 20----32--
GRN
-- 54--
-- 66--
RED
-- 52--
GRN
-- 10-- GRN
-- 22-- YEL
-- 15--
-- 31-- BLK
CR1
VACUUM
CONTACTOR
INDICATOR
POWER
-- 7-- BLK
-- 3-- BLK
-- 33-- BLK
G
SWITCH
120V LADDER DIAGRAM
DIAGRAMA ESCALONADO
DIAGRAMME D’ÉCHELLE
Home
Find...
Go To..










