Technical data
Table Of Contents
- User Instructions for the Micromat boiler
 - Product Description
 - Technical Data
 - Delivery Consignment / Unpacking the boiler
 - Boiler location
 - Installation Clearances
 - Wall Mounting
 - Gas Connection
 - Gas Conversion
 - System Flow & Return connections
 - Condensate Connection
 - Flue / Combustion Air connection
 - Flue Systems
 - Calculating Flue Resistance
 - Ventilation requirements single appliances
 - Hydraulic System Design
 - System type 1
 - System type 2
 - System type 3
 - System type 4
 - System type 5
 - System type 6
 - System type 7
 - System type 8
 - Water Treatment
 - Soldering Flux
 - Electrical Connection
 - System Type 1
 - System Type 2
 - System Type 3
 - System Type 4
 - System Type 5
 - System Type 6
 - System Type 7
 - System Type 8
 - Commissioning The Micromat EC
 - Installation Codes
 - First Firing
 - Pop Up Menu
 - Setting DHW Temperature
 - Servicing
 - Screen Display Diagnosis of Faults
 

42
17.0 electrical
connections
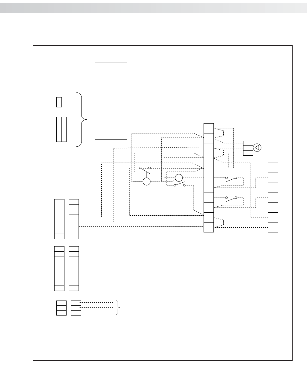
Typical electrical connection schematic to suit system type 8
Installation
code
No outside sensor.
Room stat & time switch
installed.
Install only if direct-on-boiler weather
compensated flow temperature are
required.
Install only one method of external time and
room temperature control. If room and stat
time switch are required, then do not install
RE2132 room unit and vice versa.
*
**
X3
10
5
6
1
21
Not Used
upper terminal strip
L1
PE
N
L1
N
L2
Supply
230V
3
4
R1
R2
R3
1
2
5
6
2 pin plug on X4
L1
N
L1
N
23
lower terminal strip
X16
LL34567NNEE
M
M
LN
HW
OFF
HW
ON
CH
OFF
CH
ON
E
L N
P
E
Typical Programmer
System Pump
2A Max
Cyl Stat
R / Stat
Junction Box
CH M / V HW M / V
On LPG installations where an additional gas safety
shut off valve is required, connect to L1 and N terminals
on left side of lower terminal strip.
Description










