Technical data
Table Of Contents
- User Instructions for the Micromat boiler
 - Product Description
 - Technical Data
 - Delivery Consignment / Unpacking the boiler
 - Boiler location
 - Installation Clearances
 - Wall Mounting
 - Gas Connection
 - Gas Conversion
 - System Flow & Return connections
 - Condensate Connection
 - Flue / Combustion Air connection
 - Flue Systems
 - Calculating Flue Resistance
 - Ventilation requirements single appliances
 - Hydraulic System Design
 - System type 1
 - System type 2
 - System type 3
 - System type 4
 - System type 5
 - System type 6
 - System type 7
 - System type 8
 - Water Treatment
 - Soldering Flux
 - Electrical Connection
 - System Type 1
 - System Type 2
 - System Type 3
 - System Type 4
 - System Type 5
 - System Type 6
 - System Type 7
 - System Type 8
 - Commissioning The Micromat EC
 - Installation Codes
 - First Firing
 - Pop Up Menu
 - Setting DHW Temperature
 - Servicing
 - Screen Display Diagnosis of Faults
 

34
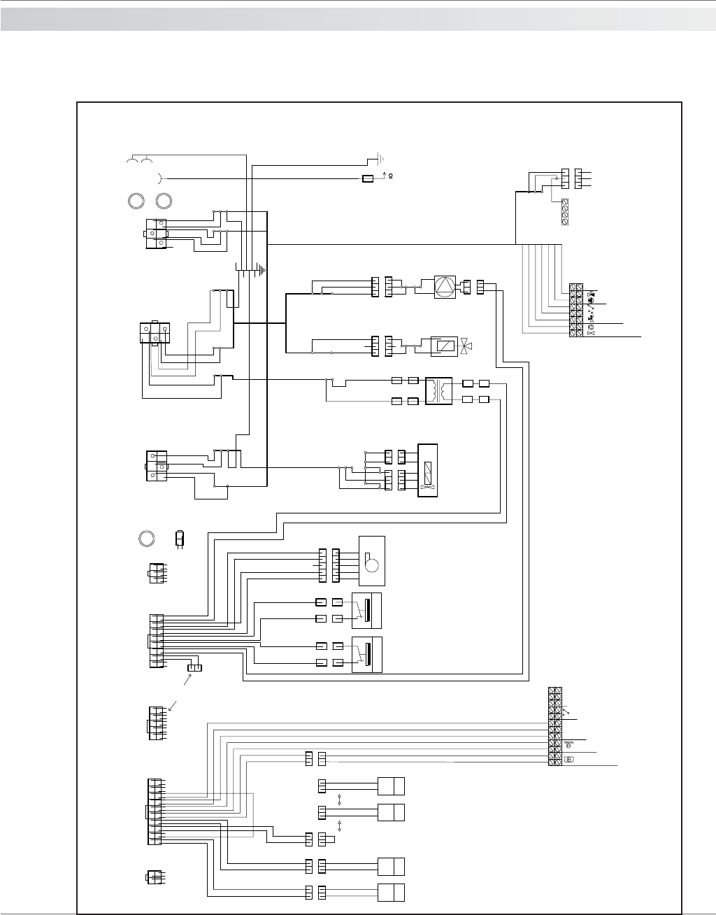
17.0 electrical
connections
Plan of internal electrical connections
 X1
 X2
 X3  X4  X5
 Fuse 24V
 X9
 X6  X7 X8
 6
 5
 HSP Top
6
 RS 232
 3
4
 1
 2
20
 10
 11
1
 10
 5
6
 1
16
 8
9
1
 6
 3
4
 1
 1 2
3
1
2
4
5
63
2
5
1
4
14
2
3
5
6
PRO1/MRO3
X16
1
2
Alarm contact
 7
 6
L
 N
PE
L
N
3
4
1
2
PE
PE
3
52
4
1
PE
Ignition / Ionisation
X32
PE
PE
S1 S4 S3 S5
K3
K5
K6
K7
K5
K6
K7
K0
K0
K4
K8
K6
K0
K7
K7
K14
K3
K9
K9
K8
K8
K18
K12
K19
K17
K20
K20
X10
X12
X14
X13
12
1
1
2
2
2
2
2
111
X17
X18
X19
X20
X21
Fan
Limit Thermostat
Water
Limit Thermostat
Fluegas
Burner Fan
24 VDC
X26
X27
X28
X29
X22
X23
X30
X31
X25
Gas Valve
L
PE
N
N
L
L
PE
N
X41
Supply
230 VAC
Pump 1
Boiler
Transformer
KO = white
K2 = brown
K3 = green
K4 = grey
K5 = orange
K6 = blue
K7 = red
K8 = black
K9 = violet
K12 = yellow/white
K13 = brown/white
K14 = green/white
K17 = blue/white
K18 = red/white
K19 = black/white
K20 = violet/white
1
2
3
4
 R1
 R2
 R3
Flow temperature sensor
DHW Flow water sensor
(S-models only)
DHW Inlet water sensor
(S-models only)
Return temperature sensor
not used
RE2132
Outside temperature sensor
DHW Thermostat
or DHW Temperature sensor
3-way divertor
valve
3-way divertor valve or pump
(H-models only)
Room thermostat or MR03
External gas valve
or external pump
 Fuse 230VAC
 Fuse
 230VAC










