Technical data
Table Of Contents
- User Instructions for the Micromat boiler
 - Product Description
 - Technical Data
 - Delivery Consignment / Unpacking the boiler
 - Boiler location
 - Installation Clearances
 - Wall Mounting
 - Gas Connection
 - Gas Conversion
 - System Flow & Return connections
 - Condensate Connection
 - Flue / Combustion Air connection
 - Flue Systems
 - Calculating Flue Resistance
 - Ventilation requirements single appliances
 - Hydraulic System Design
 - System type 1
 - System type 2
 - System type 3
 - System type 4
 - System type 5
 - System type 6
 - System type 7
 - System type 8
 - Water Treatment
 - Soldering Flux
 - Electrical Connection
 - System Type 1
 - System Type 2
 - System Type 3
 - System Type 4
 - System Type 5
 - System Type 6
 - System Type 7
 - System Type 8
 - Commissioning The Micromat EC
 - Installation Codes
 - First Firing
 - Pop Up Menu
 - Setting DHW Temperature
 - Servicing
 - Screen Display Diagnosis of Faults
 

32
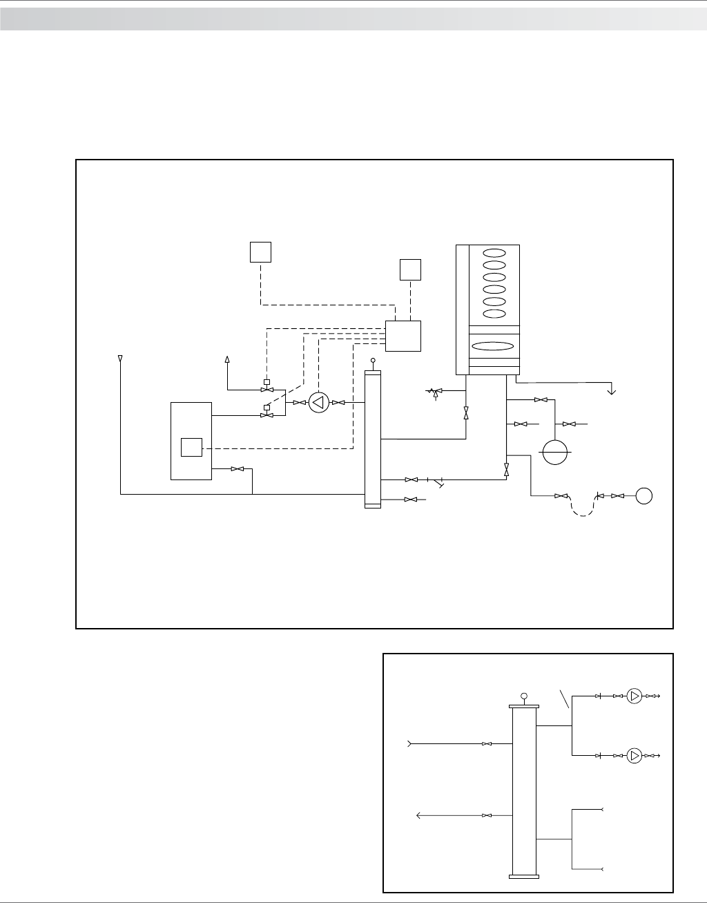
16.0 hydraulic system
design
P = Programmer WC = Wiring Centre/Junction Box RS = Room Thermostat CS = Cylinder Thermostat
System type 8
Typical Single MICROMAT EC boiler installation serving heating and domestic hotwater via a system pump and 2Nr
2Port motorised valves with conventional controls i.e. programmer, room stat & cylinder stat.
NOTE: system temperature will be fixed constant and direct-on-boiler weather compensation is not possible.
Condensate
Micromat
EC boiler
LSV
IV
DOCDOC
Expansion Vessel
Safety Valve
CWM
IV
IV
AV
Low velocity mixing header
Max. velocity 0.5m/s
P
Strainer
DOC
WC
CH
M/Valve
HW
M/Valve
System Pump
Reg Valve
CS
RS
Flow to System
Circuits
Return from
system circuits
Typical schematic arrangement where system has multiple
pumps that will operate at the same time.
To / From
Boiler/s
Flow
Header
Circuit pumps that
can / will run at the
same time
Low velocity mixing
header
max velocity 0.5m/s










