Technical data
Table Of Contents
- User Instructions for the Micromat boiler
 - Product Description
 - Technical Data
 - Delivery Consignment / Unpacking the boiler
 - Boiler location
 - Installation Clearances
 - Wall Mounting
 - Gas Connection
 - Gas Conversion
 - System Flow & Return connections
 - Condensate Connection
 - Flue / Combustion Air connection
 - Flue Systems
 - Calculating Flue Resistance
 - Ventilation requirements single appliances
 - Hydraulic System Design
 - System type 1
 - System type 2
 - System type 3
 - System type 4
 - System type 5
 - System type 6
 - System type 7
 - System type 8
 - Water Treatment
 - Soldering Flux
 - Electrical Connection
 - System Type 1
 - System Type 2
 - System Type 3
 - System Type 4
 - System Type 5
 - System Type 6
 - System Type 7
 - System Type 8
 - Commissioning The Micromat EC
 - Installation Codes
 - First Firing
 - Pop Up Menu
 - Setting DHW Temperature
 - Servicing
 - Screen Display Diagnosis of Faults
 

Energy Technology
Ltd.
31
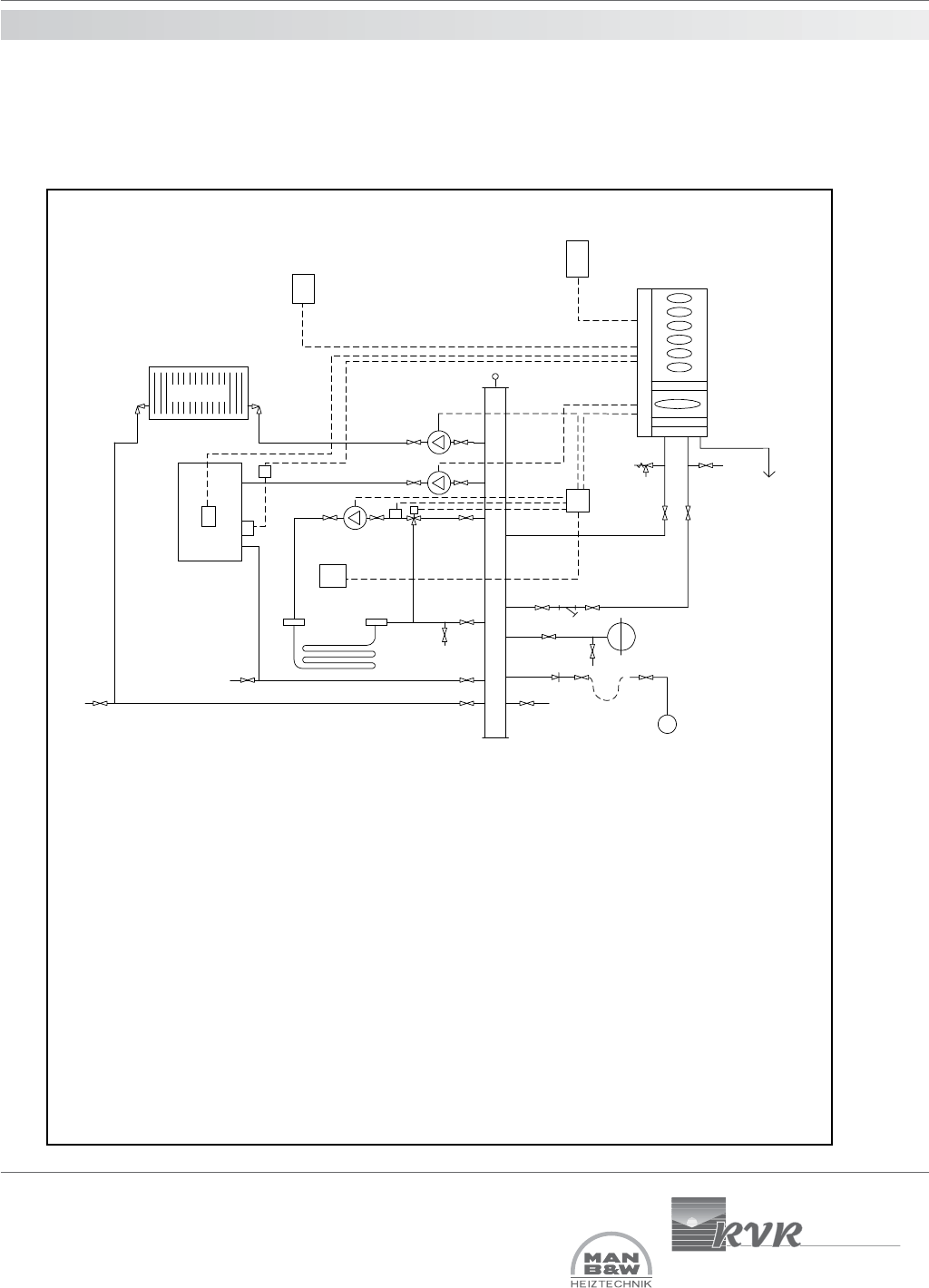
16.0 hydraulic system
design
OS = Outside air temperature sensor. Provides outside air temperature references for both heating
zones
MR03 = Pumps and mixer regulation control box from RVR Ltd. provides pump control for both heating
zones i.e. auto operation, frost protection and summer stand still protection running.
Provides drive for underfloor coil zone VT mixing valve with max flow temperature limitation set at 55°C.
Includes ratio setter for compensation of under floor coils. Max pump motor loads 2A.
RC1 = RE2132 modulating room unit from RVR Ltd. provides Time & Temperature control for radiator
heating zone.
RC2 = As RC1 but for underfloor coil zone.
VS = Underfloor zone VT flow sensor (supplied with MR03)
S = HWS sensor from RVR Ltd. Gives 24hr operation.
W/T = Alternative to “S” where “W” is a time switch in series with a cylinder thermostat “T”. Allows for
timed HWS.
System type 7
Typical Single MICROMAT EC boiler installation serving domestic hot water and radiator heating zone and an underfloor
coil zone all via a low velocity mixing header. The HWS will always have priority. The 2Nr heating zones may operate
independently via 2 Nr separate room units. The 2 Nr heating zones will always be weather compensated but may
have differing compensation slopes.
Condensate
VS
Radiator Zone
OS
RC
S
T
W
RC
2
CWM
DOCSV
IVIV
MRO3
Strainer
LSV
Expansion
Vessel
DOC
Filling Point
DOCIV
IV
DOC
IV
Under Floor Coils
Zone 
∆
t 10°C
DOC
DOC
Calorifier
Under Floor Zone
VT Pump
HWS Primary
Pump
Radiator
Zone
Pump
Under Floor
VT Mixing
Valve
Low Velocity
Mixing Header
V max 0.5m/s
Micromat
EC boiler










