Technical data
Table Of Contents
- User Instructions for the Micromat boiler
 - Product Description
 - Technical Data
 - Delivery Consignment / Unpacking the boiler
 - Boiler location
 - Installation Clearances
 - Wall Mounting
 - Gas Connection
 - Gas Conversion
 - System Flow & Return connections
 - Condensate Connection
 - Flue / Combustion Air connection
 - Flue Systems
 - Calculating Flue Resistance
 - Ventilation requirements single appliances
 - Hydraulic System Design
 - System type 1
 - System type 2
 - System type 3
 - System type 4
 - System type 5
 - System type 6
 - System type 7
 - System type 8
 - Water Treatment
 - Soldering Flux
 - Electrical Connection
 - System Type 1
 - System Type 2
 - System Type 3
 - System Type 4
 - System Type 5
 - System Type 6
 - System Type 7
 - System Type 8
 - Commissioning The Micromat EC
 - Installation Codes
 - First Firing
 - Pop Up Menu
 - Setting DHW Temperature
 - Servicing
 - Screen Display Diagnosis of Faults
 

30
16.0 hydraulic system
design
OS = Outside air temperature sensor, used where direct-on-boiler weather
compensated flow temperatures are required.
C = Room temperature controls e.g. RE2132 modulating room unit from RVR Ltd.,
or, separated time clock & room thermostat.
FS = Flow temperature sensor
RS = Return temperature sensor
S = Hot water temperature sensor or thermostat.
KKM2 = Modulating Kaskade Manager. Up to 9Nr boilers may be controlled using
2Nr linked KKm2’s.
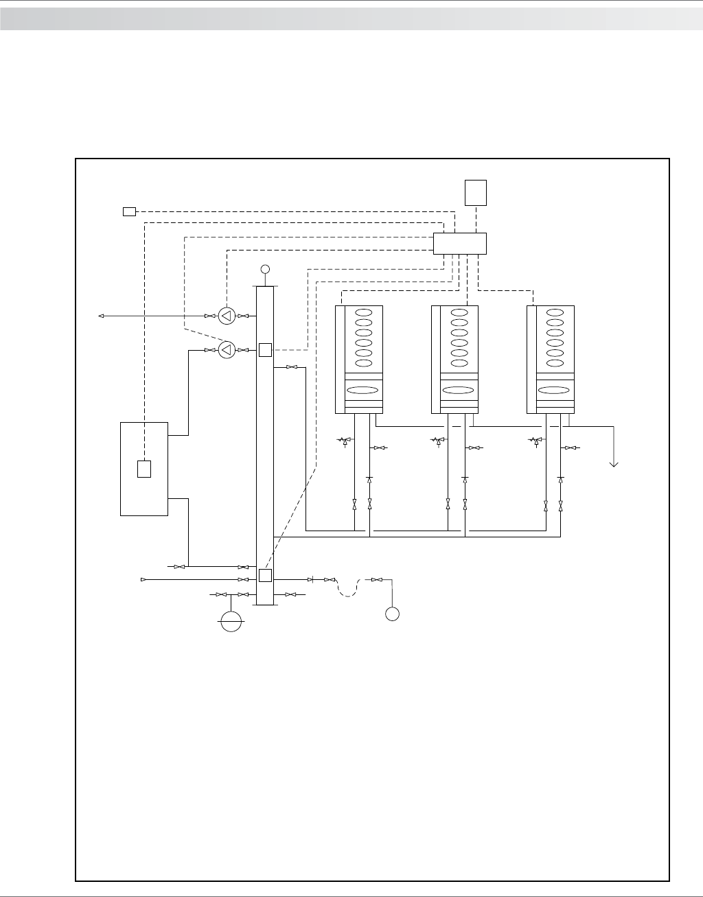
System type 6
Typical Multiple MICROMAT EC installation. Boilers controlled by modulating Kaskade manager which also has the
facility to control heating & domestic hot water production. Heating flow temperature may be fixed/constant or weather
variable. Hot water has priority.
Micromat
EC boiler
Micromat
EC boiler
Micromat
EC boiler
IVIVIVIVIVIV
NRVNRVNRV
SVSVSV
DOCDOCDOC
Condensate
CWM
Flow to System
Circuits
Calorifier
KKM 2
OS
C
S
FS
RS
Heating pump
2A. Max
HWS Primary
Pump 2A. Max
Low Velocity Mixing header
Max Velocity 0.5m/s
LSV
IV
IV
DOC
DOC
Return from
system circuits










