Technical data
Table Of Contents
- User Instructions for the Micromat boiler
 - Product Description
 - Technical Data
 - Delivery Consignment / Unpacking the boiler
 - Boiler location
 - Installation Clearances
 - Wall Mounting
 - Gas Connection
 - Gas Conversion
 - System Flow & Return connections
 - Condensate Connection
 - Flue / Combustion Air connection
 - Flue Systems
 - Calculating Flue Resistance
 - Ventilation requirements single appliances
 - Hydraulic System Design
 - System type 1
 - System type 2
 - System type 3
 - System type 4
 - System type 5
 - System type 6
 - System type 7
 - System type 8
 - Water Treatment
 - Soldering Flux
 - Electrical Connection
 - System Type 1
 - System Type 2
 - System Type 3
 - System Type 4
 - System Type 5
 - System Type 6
 - System Type 7
 - System Type 8
 - Commissioning The Micromat EC
 - Installation Codes
 - First Firing
 - Pop Up Menu
 - Setting DHW Temperature
 - Servicing
 - Screen Display Diagnosis of Faults
 

Energy Technology
Ltd.
29
16.0 hydraulic system
design
OS = Outside air temperature sensor, used where direct-on-boiler weather
compensated flow temperatures are required.
C = Room temperature controls e.g. RE2132 modulating room unit from RVR Ltd.,
or, separated time clock & room thermostat.
S = HWS sensor from RVR Ltd. Gives 24hr HWS operation
W/T = Alternative to “S” where “W” is a time switch in series with a cylinder
thermostat “T”. Allows for timed HWS.
PR01= Pump regulation module from RVR Ltd. Allows heating pump to be driven
from boiler, providing for auto operation, frost protector running & summer standstill
exercising.
Must be used where RE2132 modulating room unit is installed. Max pump motor
load 2A.
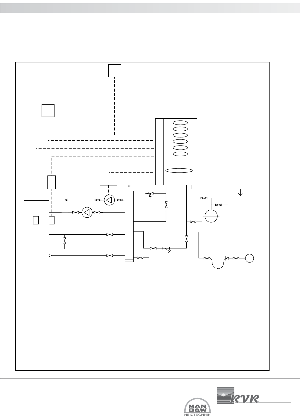
System type 5
Typical Single MICROMAT EC boiler installation serving heating & domestic hot water with hot water priority. Hot
water & heating circuits both have index resistance exceeding 1 metre & are served by independent pumps from a
low velocity mixing header. Heating flow temperature may be fixed/constant or weather variable.
Condensate
Micromat EC
boiler
LSV
DOC
Expansion Vessel
Safety Valve
CWM
IV
IV
Strainer
AV
Low velocity mixing header
Max. velocity 0.5m/s
OS
C
PRO 1
DOC
IV
DOC
Calorifier
TS
W
IV
IV
 system circuits
Return from
system circuits
Flow to
DOC
HWS Primary
Pump Max 1A










