Technical data
Table Of Contents
- User Instructions for the Micromat boiler
 - Product Description
 - Technical Data
 - Delivery Consignment / Unpacking the boiler
 - Boiler location
 - Installation Clearances
 - Wall Mounting
 - Gas Connection
 - Gas Conversion
 - System Flow & Return connections
 - Condensate Connection
 - Flue / Combustion Air connection
 - Flue Systems
 - Calculating Flue Resistance
 - Ventilation requirements single appliances
 - Hydraulic System Design
 - System type 1
 - System type 2
 - System type 3
 - System type 4
 - System type 5
 - System type 6
 - System type 7
 - System type 8
 - Water Treatment
 - Soldering Flux
 - Electrical Connection
 - System Type 1
 - System Type 2
 - System Type 3
 - System Type 4
 - System Type 5
 - System Type 6
 - System Type 7
 - System Type 8
 - Commissioning The Micromat EC
 - Installation Codes
 - First Firing
 - Pop Up Menu
 - Setting DHW Temperature
 - Servicing
 - Screen Display Diagnosis of Faults
 

26
16.0 hydraulic system
design
OS = Outside air temperature sensor, used where direct-on-boiler weather
compensated flow temperatures are required.
C = Room temperature controls e.g. RE2132 modulating room unit from RVR Ltd.,
or, separated time clock & room thermostat.
S = HWS sensor from RVR Ltd. Gives 24hr HWS operation.
W/T = Alternative to “S” where “W” is a time switch in series with a cylinder
thermostat “T”. Allows for timed HWS.
Divertor valve will require SPDT relay if not spring return.
Divertor valve must be so installed as to spring return to heating.
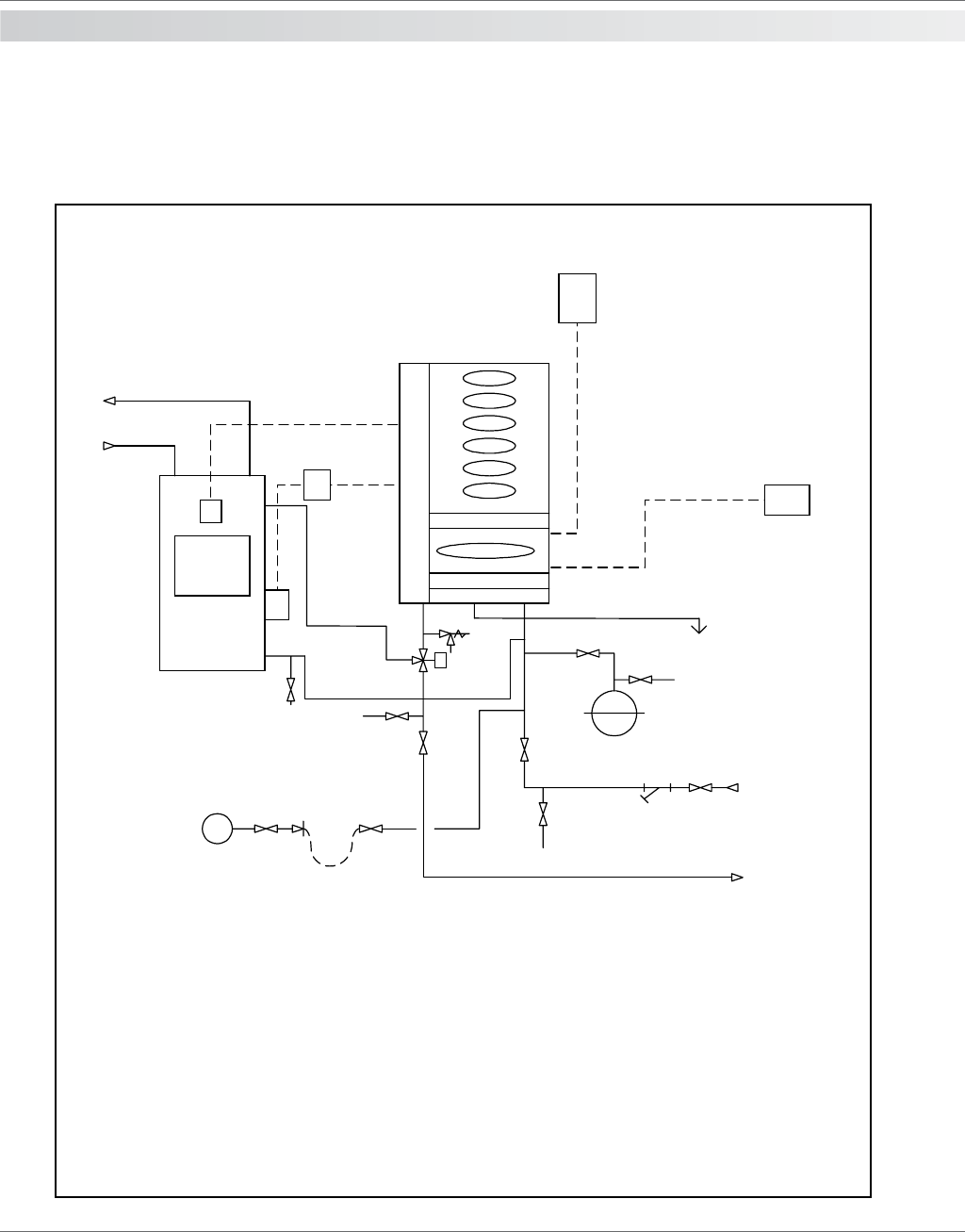
System type 2
Typical Single MICROMAT EC boiler installation serving domestic hot water and heating where hot water has priority
via a divertor valve. The in-built circulating pump in the boiler is used to circulate the system (used only where
system index resistance <1 metre). Flow temperature to hot water is constant and flow temperature to heating may
be constant or weather variable.
Micromat EC
boiler
IV
Safety
Valve
Flow to
system
Cold Water
Hot Water
Calorifier
Condensate
DOC
Divertor Valve
DOC
OS
C
T
W
S
IV
Strainer
CWM
IV
Return from
system
DOC
LSV
DOC
Expansion Vessel










