Technical data
Table Of Contents
- User Instructions for the Micromat boiler
 - Product Description
 - Technical Data
 - Delivery Consignment / Unpacking the boiler
 - Boiler location
 - Installation Clearances
 - Wall Mounting
 - Gas Connection
 - Gas Conversion
 - System Flow & Return connections
 - Condensate Connection
 - Flue / Combustion Air connection
 - Flue Systems
 - Calculating Flue Resistance
 - Ventilation requirements single appliances
 - Hydraulic System Design
 - System type 1
 - System type 2
 - System type 3
 - System type 4
 - System type 5
 - System type 6
 - System type 7
 - System type 8
 - Water Treatment
 - Soldering Flux
 - Electrical Connection
 - System Type 1
 - System Type 2
 - System Type 3
 - System Type 4
 - System Type 5
 - System Type 6
 - System Type 7
 - System Type 8
 - Commissioning The Micromat EC
 - Installation Codes
 - First Firing
 - Pop Up Menu
 - Setting DHW Temperature
 - Servicing
 - Screen Display Diagnosis of Faults
 

Energy Technology
Ltd.
25
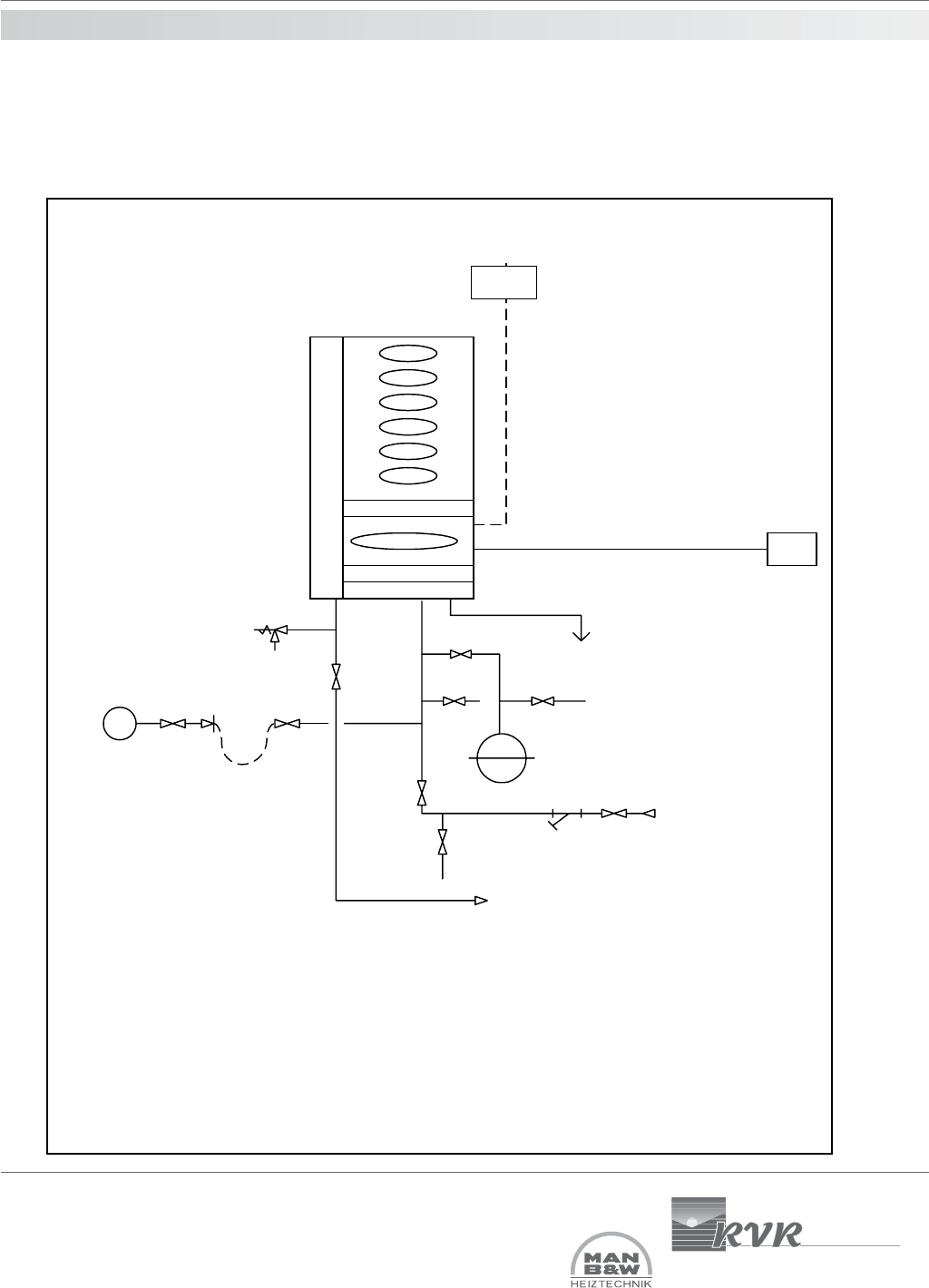
16.0 hydraulic system
design
System type 1
Typical Typical Single MICROMAT EC boiler installation serving heating only where the boiler’s own in-built circulating
pump is used to circulate the water around the system (used only where system index resistance <1 metre). Flow
temperature may be fixed/constant or weather variable.
Condensate
Micromat EC
boiler
IV
Safety Valve
Flow to
system
OS
C
LSV
DOC DOC
CWM
IV
IV
Strainer
Return from
system
DOC
Expansion Vessel
OS = Outside air temperature sensor, used where
direct-on-boiler weather compensated flow
temperatures are required.
C = Room temperature controls e.g. RE2132
modulating room unit from RVR Ltd., or,
separate time clock & room thermostat.










