Product Manual
Manuals
Brands
Merry Mac Manuals
Chippers, Shredders + Stump Grinders
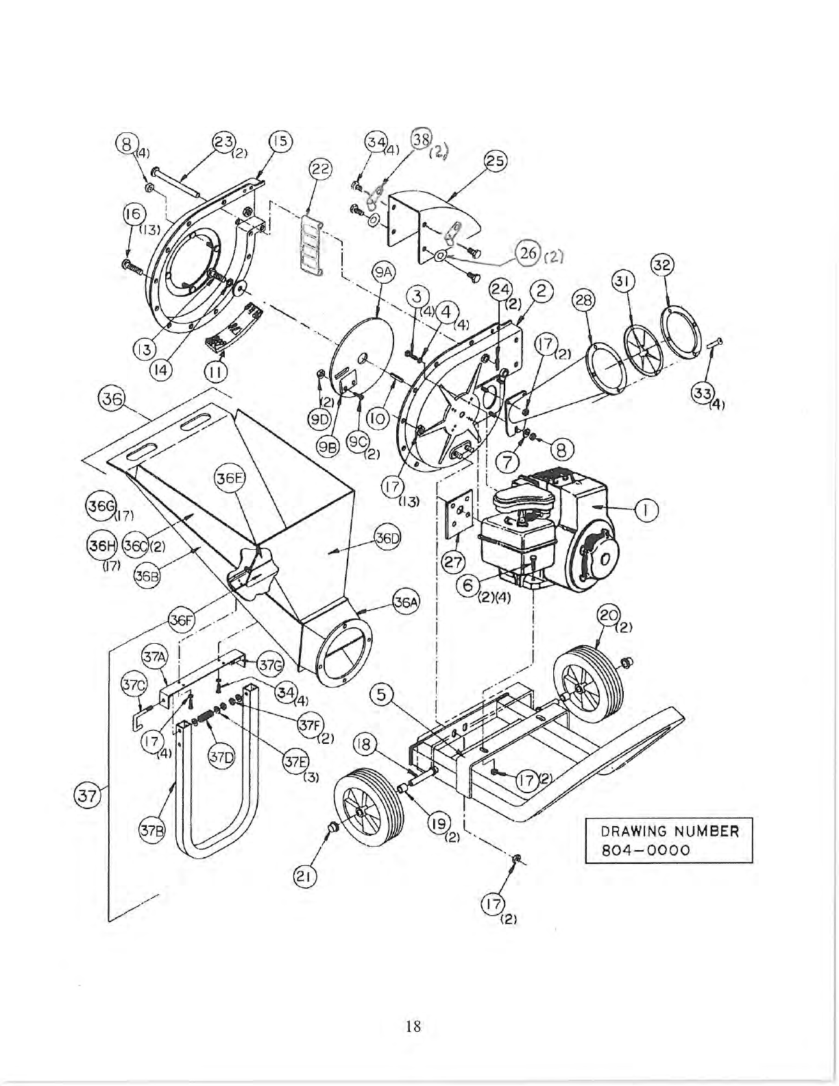
Chipper/Shredder — 249cc Briggs & Stratton OHV Engine, 2 7/8in. Chipping Capacity
11
12
13
14
15
16
17
18
19
20
1
...
...
16
17
18
19
20