User Manual

(3)
Levelers are to accommodate uneven floors. However, tables with Levelers MUST NOT be pushed,
pulled or anyway slid along the floor. ALWAYS REMOVE any items on the table and LIFT the table off
the floor while moving.
WARNING
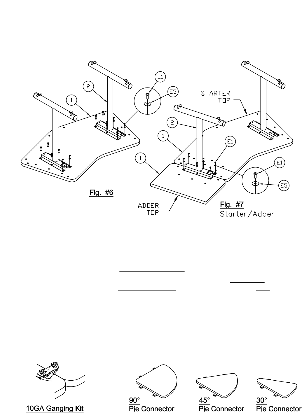
Stand Alone & Starter Assembly (Transition Table)
6. Begin Assembly by determining if the table will be a stand alone unit or if there will be other tables attached. If
stand alone unit is chosen see Fig. #6, Step #7. If Starter/Adder Assembly is chosen see Fig. #7, Step #6.
7. Place Top (1) face down on a clean flat surface. Attach Legs (2) onto Top using six Screws (E1) & six
Washers (E5) per Leg.
8. Attach Leg (2) onto Starter/Adder Top using three Screws (E1) & three Washers (E5) for each top. See Fig #7
Extra inserts on the underside of the top are for optional ganging kit 10GA & Pie connectors.