User's Manual

AT INTERFACE DESCRIPTION
5 – 3
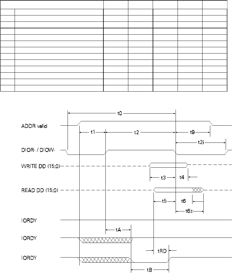
TIMING PARAMETERS MODE 0 MODE 1 MODE 2 MODE 3 MODE 4
t0 Cycle Time (min) 600 ns 383 ns 240 ns 180 ns 120 ns
t1 Address valid to DIOR-/DIOW- setup (min) 70 ns 50 ns 30 ns 30 ns 25 ns
t2 DIOR-/DIOW- 16-bi t (min) 165 ns 125 ns 100 ns 80 ns 70 ns
t2i DIOR-/DIOW- recovery time (min) 70 ns 25 ns
t3 DIOW- data setup (min) 60 ns 45 ns 30 ns 30 ns 20 ns
t4 DIOW- data hold (min) 30 ns 20 ns 15 ns 10 ns 10 ns
t5 DIOR- data setup (min) 50 ns 35 ns 20 ns 20 ns 20 ns
t6 DIOW- data hold (min) 5 ns 5 ns 5 ns 5 ns 5 ns
t6Z DIOR- data tristate (max) 30 ns 30 ns 30 ns 30 ns 30 ns
t9 DIOR-/DIOW- to address valid hold (min) 20 ns 15 ns 10 ns 10 ns 10 ns
tRd Read Data Valid to IORDY active (min) 0 0 0 0 0
tA IORDY Setup Time 35 ns 35 ns 35 ns 35 ns 35 ns
tB IORDY Pulse Width (max) 1250 ns 1250 ns 1250 ns 1250 ns 1250 ns
PIO TimingPIO Timing
PIO TimingPIO Timing
PIO Timing
Figure 5 - 2
PIO Data Transfer To/From Device










