Owner's Manual

The MSWSFSP221B mounts to a fixture/enclosure with a 1/2” knock
out, via a nipple on the back. MSWSFSP221B operates at 100-347V
Single Phase, as well as 208/230/480VAC phase-to-phase. No power
pack is required. It is designed to be installed in indoor and outdoor
environments. The sensor uses passive infrared (PIR) sensing
technology that reacts to changes in infrared energy (moving body
heat) within the coverage area. Once the sensor stops detecting
movement and the time delay elapses, lights will go from high to low
mode and eventually to an OFF position if it is desired. Sensors must
directly “see” motion of a person or moving object to detect them, so
careful consideration must be given to sensor luminaire placement and
lens selection. Avoid placing the sensor where obstructions may block
the sensor’s line of sight.
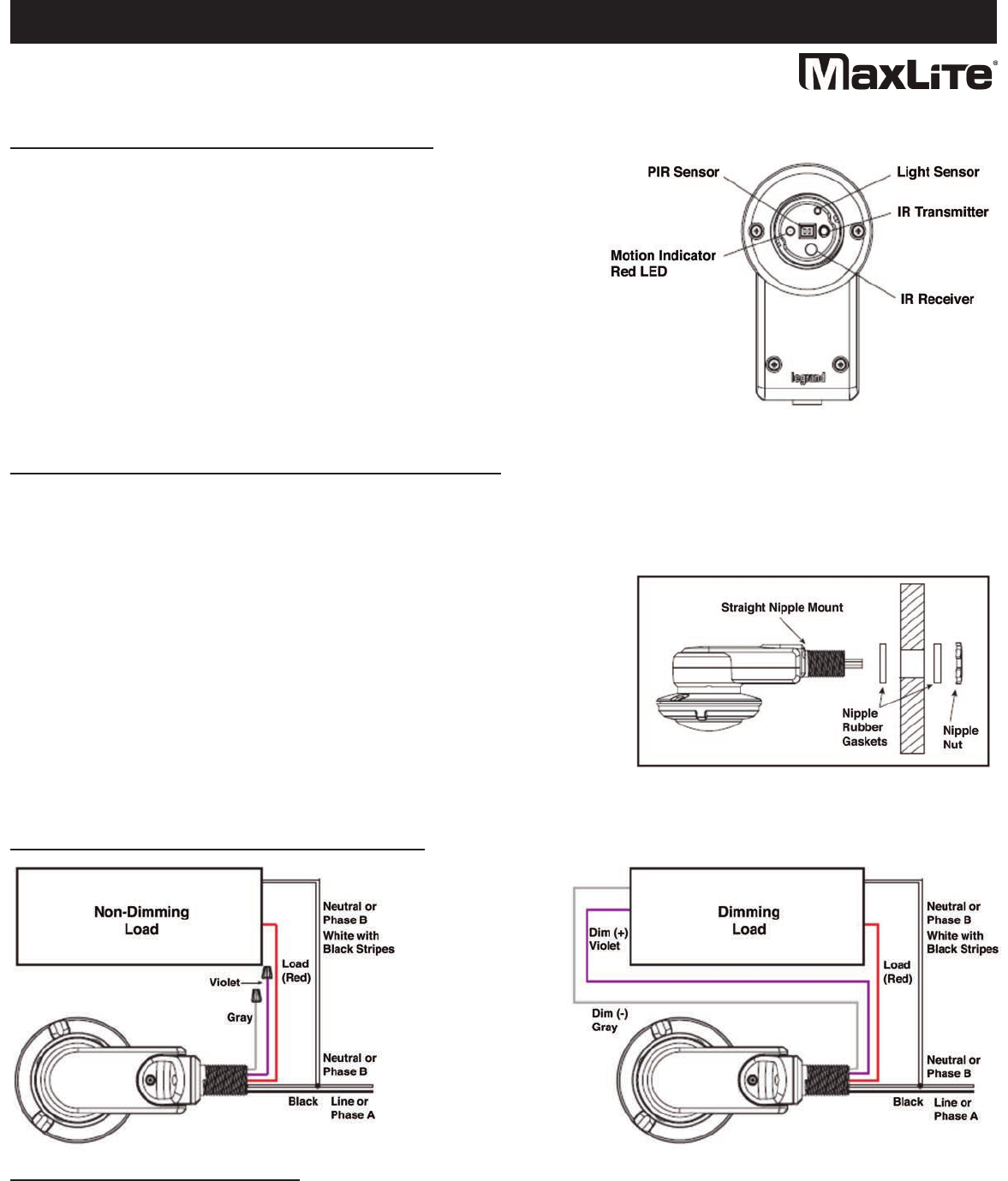
PIR Occupancy Sensor: MSWSFSP221B
PIR Occupancy Sensor Wiring Diagram
Operation During Power-up
During the sensor warm-up period, which can last up to 5 seconds after initial power-up (or after a lengthy power
outage), the load will remain ON until the selected time delay expires.
PIR Occupancy Sensor Installation Instruction
Mounting to a Fixture/Enclosure – Straight Nipple
Note: These installation instructions apply to the following models ONLY.
WPS40BU50XXXX, WPS25BH50XXXX, WPS50BH50XXXX, WPS25BU50XXXX, WPS50BU50XXXX, WPS40BH50XXXX, WP-OPXXU-50B
1. Determine an appropriate mounting location minimizing the electric
light contribution to the sensor’s photocell.
2. If there is no knockout, drill a hole 0.875” (22mm) in diameter through
the sheet metal in the fixture or enclosure.
3. Add the rubber gasket to the nipple, and install the sensor face down.
Ensure the rubber gasket touches the surface of the fixture. Install the
nipple nut securely against the fixture to a torque of 25-30 in-lbs to
ensure IP rating is maintained.
NOTE: The Outside Fixture Wall thickness
should be no greater than 0.125"(3.18mm)
for optimal sensor mounting and security.
Operating Instructions WP-OP Series
MaxLite WallMAX Wall Pack
®
© Copyright 2018. MaxLite, Inc. All Rights Reserved.
12 York Ave, West Caldwell, NJ 07006 Tel: 800-555-5629 Fax: 973-244-7333 Email: info@maxlite.com
Page: 7
REV: 1/18/18










