Datasheet

Evaluates: MAX9814
MAX9814 Evaluation Kit
4
______________________________________________________________________________________________________________________________________________________________________________
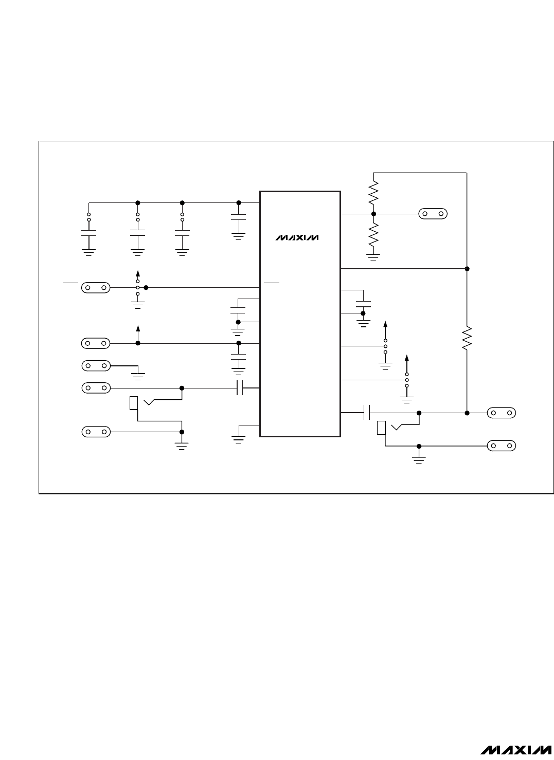
Figure 1. MAX9814 EV Kit Schematic
VCC
R3
2.21kΩ
1%
JU1
SHDN
C4
0.022µF
VCC
C7
0.1µF
C3
0.047µF
JU4
C2
0.1µF
C5
2.2µF
C6
1µF
JU5
C1
0.22µF
JU6
VCC
MIC_OUT
GND
SGND_OUT
CT
1
2
3
2
1
J1
1
CG
3
N.C.
4
C8
0.47µF
C9
0.1µF
BIAS
N.C.
11
MICIN
8
JU2
1
2
3
VCC
GAIN
10
JU3
1
2
3
VCC
A/R
9
12
MICBIAS
13
V
CC
5
MICOUT
6
GND
7
2
MAX9814
U1
SHDN
R1
150kΩ
1%
R2
100kΩ
1%
MIC_IN
TH
14
TH
SGND_IN
2
1
J2





