Datasheet

MAX8686
Single/Multiphase, Step-Down,
DC-DC Converter Delivers Up to 25A Per Phase
14 ______________________________________________________________________________________
Overvoltage Protection
The MAX8686 provides output overvoltage protection
(OVP). The OVP threshold is set at 20% above the set
output voltage. When the overvoltage condition is expe-
rienced, the output is latched to PGND through the low-
side MOSFET. To clear the latch, the EN/SLOPE input
should be pulled logic-low and then reinitialized. The
output starts up in a soft-start mode. To prevent the
overvoltage protection from initializing during power-up,
some consideration should be given to the soft-start
timing to reduce the inrush current. In addition, the
proper compensation network would prevent overshoot
during power-up.
Power-OK (POK) Signal
POK is an open-drain output that monitors the output volt-
age. When the output is above 90% of its nominal regula-
tion voltage, POK goes high impedance. There is a 3%
hysteresis to prevent the POK output from chattering. The
POK indicator can be used for sequencing.
Thermal-Overload Protection
Thermal-overload protection limits total power dissipa-
tion in the MAX8686. When the junction temperature
exceeds +160°C, an internal thermal sensor shuts
down the device, allowing it to cool down. The thermal
sensor turns the device on again after the junction tem-
perature cools by 30°C, resulting in a pulsed output
during continuous thermal-overload conditions. See
Figures 2, 3, and 4.
BST
31
32
33
34
35
36
37
38
39
40
+
LX
GFREQ
POWER-
OK
C1
330pF
C17
1μF
C18
0.22μF
C16
0.22μF
C15
0.1μF
C3
10nF
C4
2.2nF
C4
150pF
R5
5.6kΩ
R1
10kΩ
R16
162kΩ
R3
200kΩ
R4
115kΩ
R2
150kΩ
C13
10μF
C12
10μF
C6
220μF
C7
220μF
C14
1μF
C11
10μF
INPUT
6V TO 20V
30
29
28
27
26
25
24
23
22
21
POK
SS
ILIM
COMP
RS+
RS-
LX
GFREQ
REFIN
PHASE/REFO
FREQ
IN
N.C.
LX
PGND
U1
PGND
PGND
PGND
PGND
IN
IN
LX
RTN
PGND
PGND
PGND
EN/SLOPE
GFREQ
CS+
CS-
AVL
GND
INA
IN
IN
IN
IN
IN
IN
VL
PGND
5
6
7
9
10
4
3
2
1
8
15
16
17
19
20
14
13
12
11
18
R11
270Ω
R13
10Ω
ENABLE
(EN)
OUTPUT
1.2V/25A
L11
0.56μH
C2
15pF
R12
10Ω
MAX8686
R14
270Ω
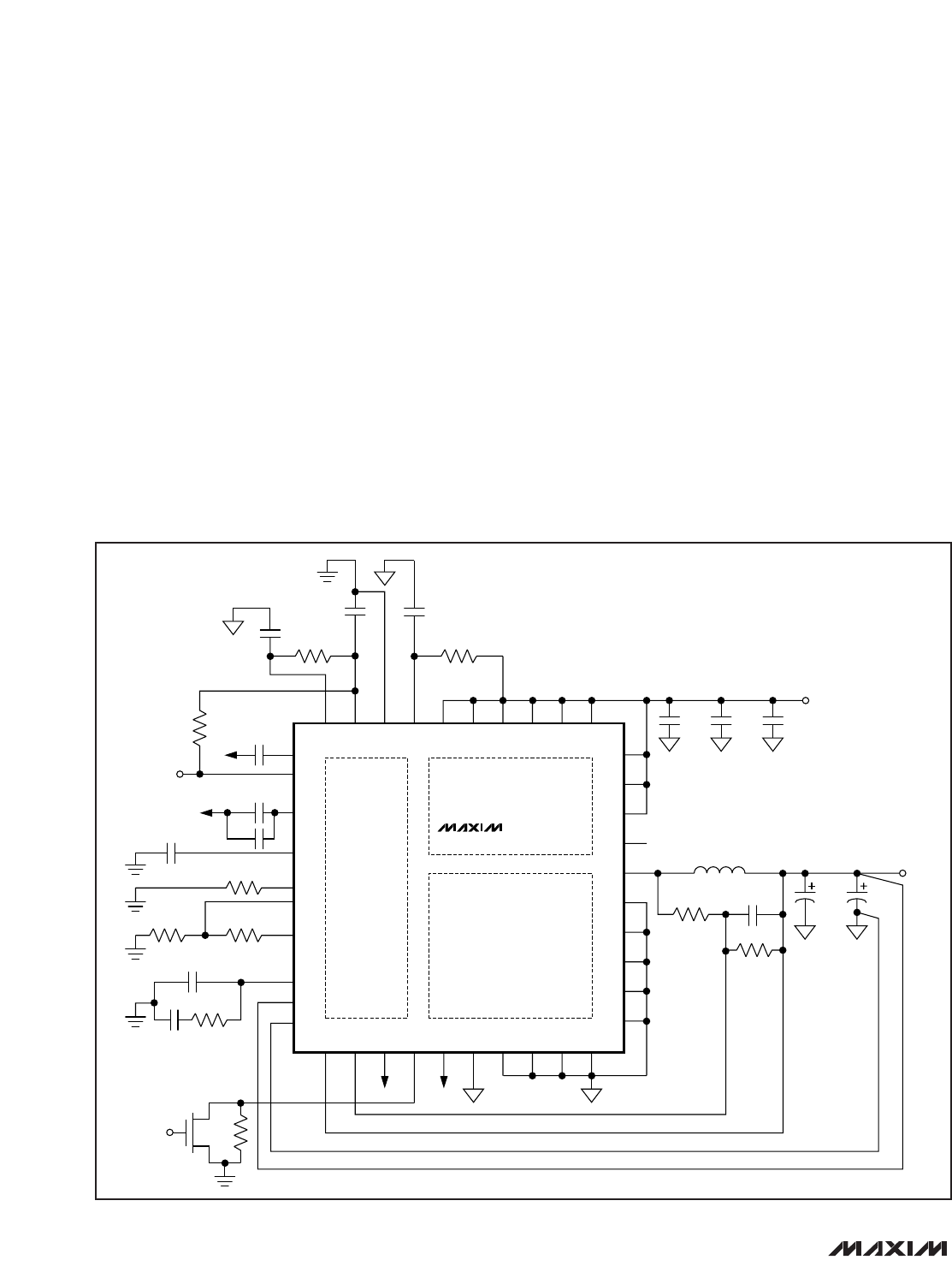
Figure 2. Single-Phase Application Circuit Operating at V
IN
= 12V










