Datasheet

MAX8686
Single/Multiphase, Step-Down,
DC-DC Converter Delivers Up to 25A Per Phase
10 ______________________________________________________________________________________
VL
500μA
S2
TO S4
PGND
RTN
10μA
LX
IN
LEVEL
SHIFT
BST
INA
UVLO
THERMAL
SHDN
RAMP
GENERATOR
5.4V LDO
GENERATOR
PWM
CONTROL
LOGIC
CURRENT-LIMIT
CONTROL LOGIC
VOLTAGE
REFERENCE
SLAVE MODE
DETECTION
SLAVE MODE = S1, S2, S3, S5, S6 OPEN
MASTER MODE = S1, S2, S5, S6 CLOSE
10μA
AVL
FREQ
UV
OV
PHASE/REFO
V
REF
SOFT-START
CIRCUITRY
EN/SLOPE
EN/SLOPE
VL
AVL
SS
S6
CLOCK
GENERATOR
0.9
1.2
REFIN FB
POK
EN/SLOPE
g
M
ERROR
AMPLIFIER
PWM
COMPARATOR
PEAK CURRENT-
LIMIT COMPARATOR
S1
S3
S4
AVL
AVL
S5
V
SUM
REFIN
RS+
RS-
FB
COMP
CS+
CS-
SLOPE
COMP
1/2
CURRENT-
SENSE
AMPLIFIER
30.5
30.5
ILIM
GND
MAX8686
GFREQ
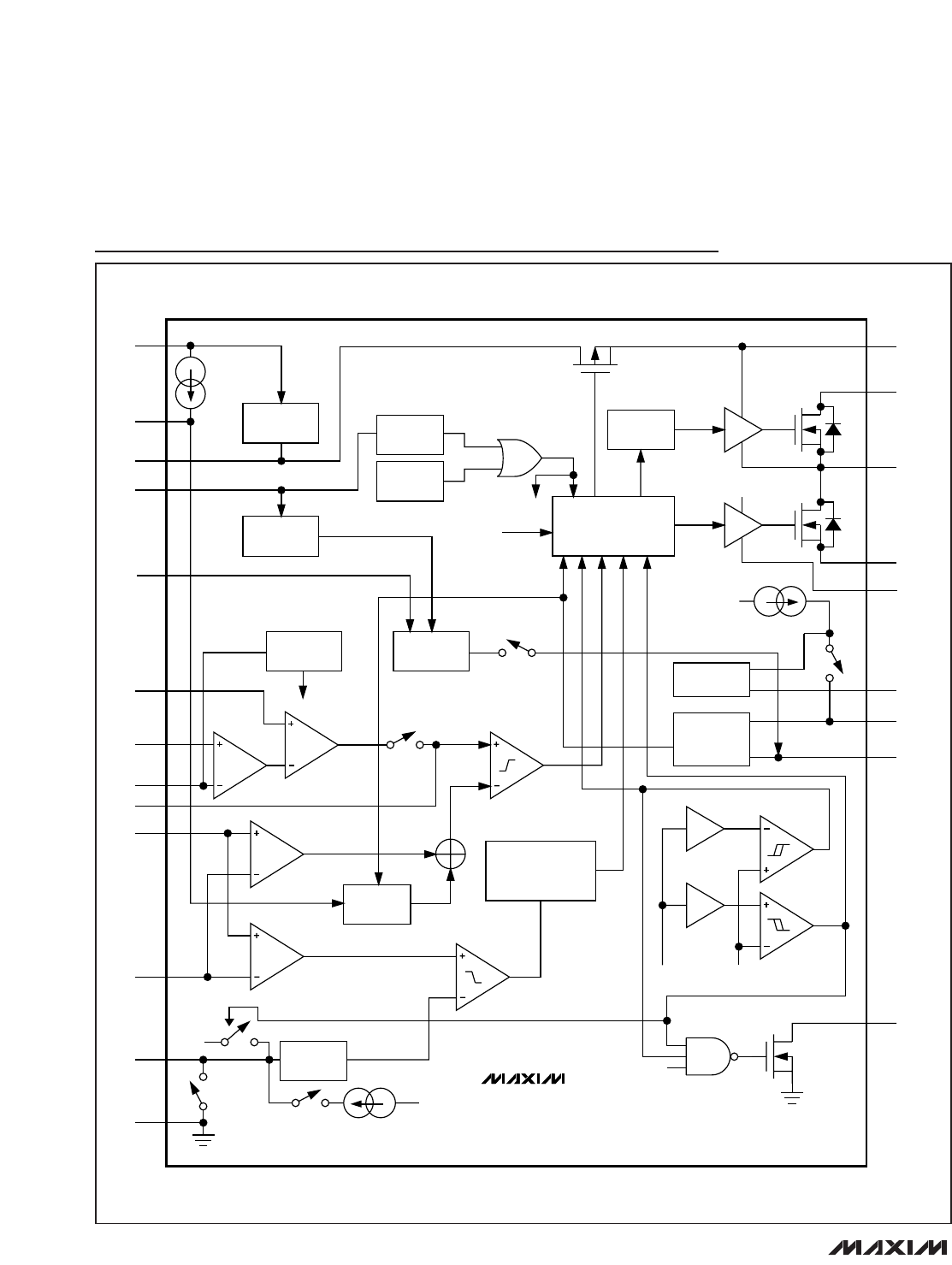
Functional Diagram










