Datasheet

Detailed Description
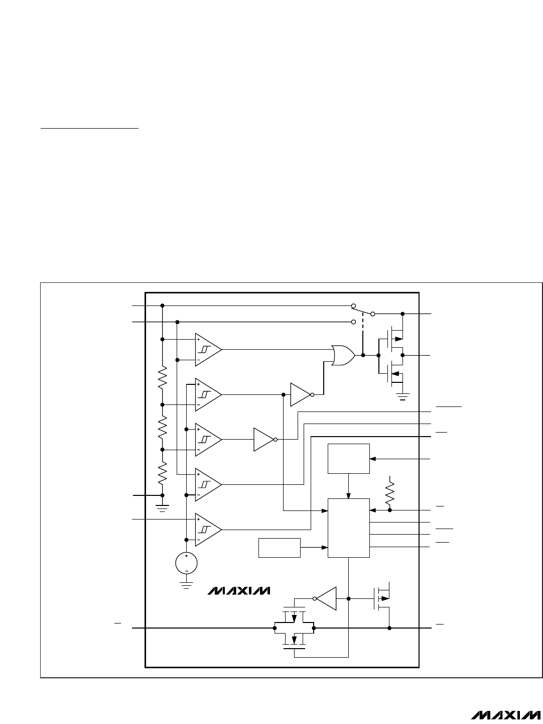
The MAX807 µP supervisory circuit provides power-
supply monitoring, backup-battery switchover, and pro-
gram execution watchdog functions in µP systems
(Figure 1). Use of BiCMOS technology results in an
improved 1.5% reset-threshold precision, while keeping
supply currents typically below 70µA. The MAX807 is
intended for battery-powered applications that require
high reset-threshold precision, allowing a wide power-
supply operating range while preventing the system
from operating below its specified voltage range.
RESET and RESET Outputs
The MAX807’s RESET output ensures that the µP pow-
ers up in a known state, and prevents code execution
errors during power-down and brownout conditions. It
accomplishes this by resetting the µP, terminating pro-
gram execution when V
CC
dips below the reset thresh-
old or MR is pulled low. Each time RESET is asserted it
stays low for the 200ms reset timeout period, which is
set by an internal timer to ensure the µP has adequate
time to return to an initial state. Any time V
CC
goes
below the reset threshold before the reset-timeout peri-
od is completed, the internal timer restarts. The watch-
dog timer can also initiate a reset if WDO is connected
to MR (see the Watchdog Input section).
MAX807L/M/N
Full-Featured µP Supervisory Circuit with
±1.5% Reset Accuracy
8 _______________________________________________________________________________________
MAX807
CE IN
PFI
GND
V
CC
BATT
V
CC
THE HIGHER
OF V
CC
OR V
BATT
BATTERY-BACKUP
COMPARATOR
RESET
COMPARATOR
LOW-LINE
COMPARATOR
BATTERY-OK
COMPARATOR
POWER-FAIL
COMPARATOR
2.275V
P
OUT
BATT ON
LOW LINE
BATT OK
PFO
WDI
MR
50kΩ
RESET
RESET
WDO
CE OUT
N
P
P
N
WATCHDOG
TRANSITION
DETECTOR
STATE
MACHINE
OSCILLATOR
Figure 1. Block Diagram










