Datasheet

MAX5864
Ultra-Low-Power, High Dynamic-
Performance, 22Msps Analog Front End
______________________________________________________________________________________________________ 21
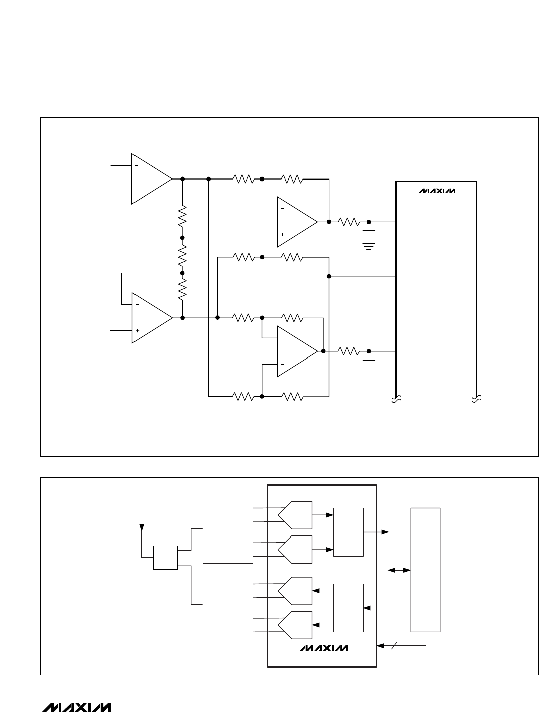
Figure 10. ADC DC-Coupled Differential Drive
MAX5864
INA+
COM
INA-
R
ISO
22Ω
R
ISO
22Ω
R11
600Ω
R9
600Ω
R3
600Ω
R2
600Ω
R1
600Ω
R10
600Ω
R8
600Ω
R5
600Ω
R4
600Ω
R7
600Ω
R6
600Ω
C
IN
5pF
C
IN
5pF
Figure 11. Typical Application Circuit for TDD
MAX2391
QUADRATURE
DEMODULATOR
ADC
ADC
MAX2395
QUADRATURE
TRANSMITTER
DAC
DAC
ADC
OUTPUT
MUX
DAC
INPUT
MUX
CLK
DIGITAL BASEBAND
PROCESSOR
SERIAL BUS
MAX5864
T/R
CLK