Datasheet

MAX5170/MAX5172
Low-Power, Serial, 14-Bit DACs
with Voltage Output
______________________________________________________________________________________ 15
TO OTHER
SERIAL DEVICES
MAX5170
MAX5172
DIN
SCLK
CS
MAX5170
MAX5172
DIN
SCLK
CS
MAX5170
MAX5172
DIN
SCLK
CS
DIN
SCLK
CS1
CS2
CS3
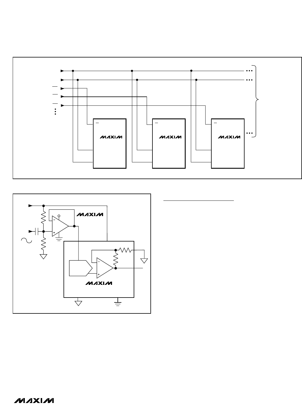
Figure 11. AC Reference Input Circuit
DAC
OUT
MAX5170
MAX5172
R
2
R
1
OS
REF
V
DD
GNDAGND
+5V/
+3V
AC
REFERENCE
INPUT
500mVp-p
MAX495
+5V/+3V
Figure 10. Multiple MAX5170/MAX5172s Sharing Common DIN and SCLK Lines
Chip Information
TRANSISTOR COUNT: 3457










