Datasheet

AC Considerations
Digital Feedthrough
High-speed serial data at any of the digital input or output
pins may couple through the DAC package and cause
internal stray capacitance to appear at the DAC output as
noise, even though CS is held high (see
Typical Operating
Characteristics
). This digital feedthrough is tested by hold-
ing CS high transmitting 0101... from DIN to DOUT.
Analog Feedthrough
Because of internal stray capacitance, higher frequency
analog input signals may couple to the output as shown in
the Analog Feedthrough vs. Frequency graph in the
Typical Operating Characteristics
. It is tested by holding
CS high, setting the DAC code to all 0s, and sweeping
REFIN.
MAX504/MAX515
5V, Low-Power, Voltage-Output,
Serial 10-Bit DACs
______________________________________________________________________________________ 13
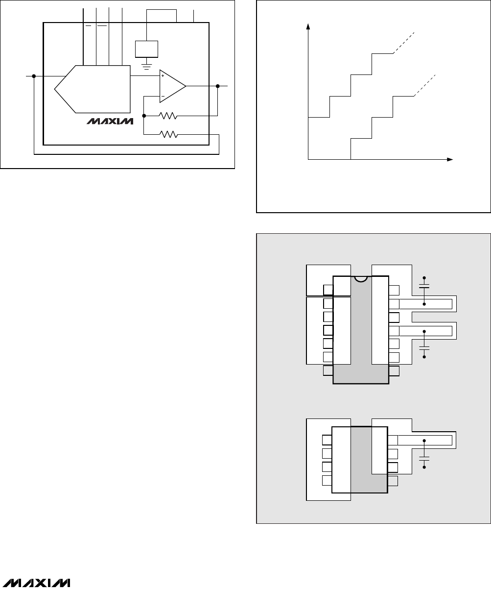
MAX504
INVERTED
R-2R DAC
DIN DOUT
SIGNAL
IN
2.048V
REFIN
V
DD
V
SS
2R
2R
CS
CLR
BIPOFF
RFB
VOUT
REFOUT
Figure 9. MAX504 Connected as Four-Quadrant Multiplier. The
unused REFOUT is connected to V
DD
.
1
2
3
4
5
1 2 3 4 5
0
POSITIVE OFFSET
NEGATIVE OFFSET
DAC CODE (LSBs)
OUTPUT (LSBs)
Figure 10. Single-Supply Offset
8
10
9
14
13
12
11
5
6
2
3
4
7
1
8
7
6
5
1
2
3
4
0.1µF
(b) MAX515 BYPASSING
(a) MAX504 BYPASSING
ANALOG GROUND PLANE
0.1µF
0.1µF
Figure 11. Power-Supply Bypassing










