Datasheet

MAX481/MAX483/MAX485/MAX487–MAX491/MAX1487
__________Applications Information
The MAX481/MAX483/MAX485/MAX487–MAX491 and
MAX1487 are low-power transceivers for RS-485 and RS-
422 communications. The MAX481, MAX485, MAX490,
MAX491, and MAX1487 can transmit and receive at data
rates up to 2.5Mbps, while the MAX483, MAX487,
MAX488, and MAX489 are specified for data rates up to
250kbps. The MAX488–MAX491 are full-duplex trans-
ceivers while the MAX481, MAX483, MAX485, MAX487,
and MAX1487 are half-duplex. In addition, Driver Enable
(DE) and Receiver Enable (RE) pins are included on the
MAX481, MAX483, MAX485, MAX487, MAX489,
MAX491, and MAX1487. When disabled, the driver and
receiver outputs are high impedance.
MAX487/MAX1487:
128 Transceivers on the Bus
The 48kΩ,
1
/
4
-unit-load receiver input impedance of the
MAX487 and MAX1487 allows up to 128 transceivers
on a bus, compared to the 1-unit load (12kΩ input
impedance) of standard RS-485 drivers (32 trans-
ceivers maximum). Any combination of MAX487/
MAX1487 and other RS-485 transceivers with a total of
32 unit loads or less can be put on the bus. The
MAX481/MAX483/MAX485 and MAX488–MAX491 have
standard 12kΩ Receiver Input impedance.
Low-Power, Slew-Rate-Limited
RS-485/RS-422 Transceivers
8 _______________________________________________________________________________________
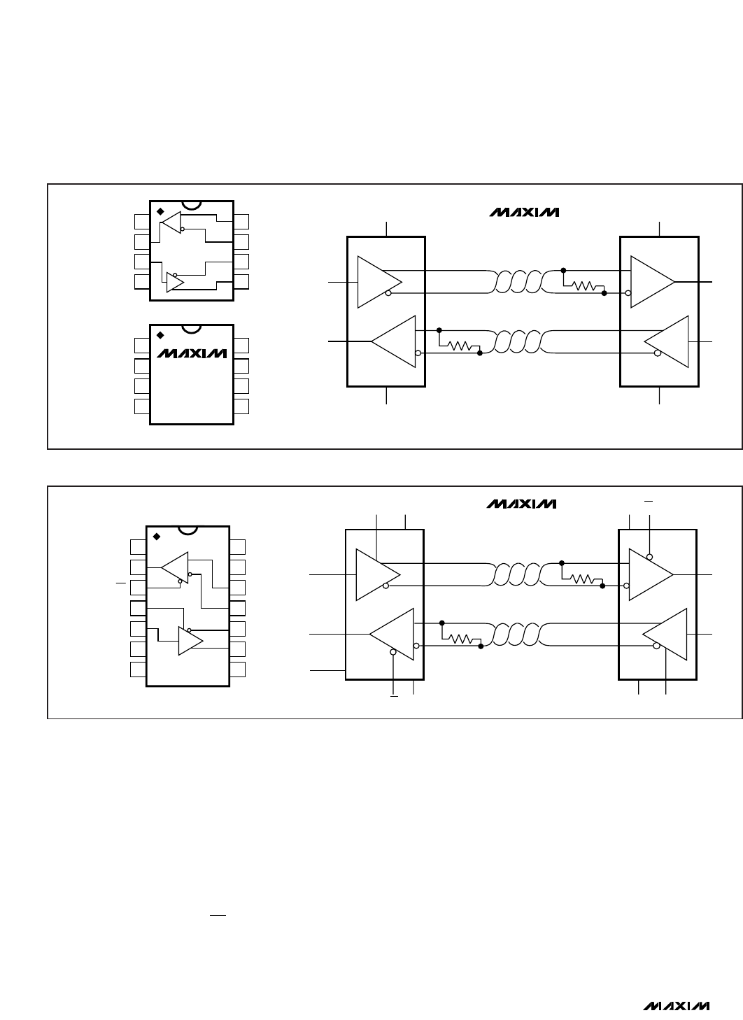
MAX488
MAX490
TOP VIEW
1
2
3
4
RO
DI
GND
8
7
6
5
A
B
Z
Y
V
CC
DIP/SO
R
D
Rt
Rt
V
CC
5
6
7
8
RO
DI
GND
4
GND
DI
RO
3
2
A
B
Y
Z
V
CC
DR
R
D
1
3
V
CC
4
RO
2
A
1
6
5
7
8
GND
DI
Y
Z
B
µMAX
MAX488
MAX490
NOTE: TYPICAL OPERATING CIRCUIT SHOWN WITH DIP/SO PACKAGE.
MAX489
MAX491
DIP/SO
TOP VIEW
Rt
Rt
DE V
CC
RE GND
V
CC
RE
GND DE
RO
DI
9
10
12
11
B
A
Z
Y
5
RO
NC
DI
2
1, 8, 13
3 6, 7
144
1
2
3
4
5
6
7
14
13
12
11
10
9
8
V
CC
N.C.
N.C.
A
B
Z
Y
N.C.
RO
RE
DE
DI
GND
GND
R
D
D
RD
R
Figure 2. MAX488/MAX490 Pin Configuration and Typical Operating Circuit
Figure 3. MAX489/MAX491 Pin Configuration and Typical Operating Circuit










