Datasheet

MAX481/MAX483/MAX485/MAX487–MAX491/MAX1487
Low-Power, Slew-Rate-Limited
RS-485/RS-422 Transceivers
14 ______________________________________________________________________________________
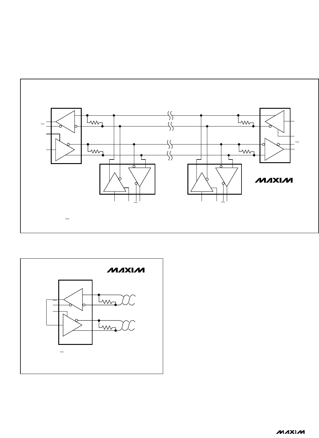
Figure 22. MAX488–MAX491 Full-Duplex RS-485 Network
120Ω
120Ω
R
D
RO
RE
DE
DI
A
B
Y
120Ω
120Ω
DI
DI DIRO RO
RO
DE DE
DE
RE
RE
RE
Z
Z
Z
Z
Y
Y
Y
AA
A
BB
B
D
D
D
R
R
R
MAX489
MAX491
NOTE: RE AND DE ON MAX489/MAX491 ONLY.
Figure 23. Line Repeater for MAX488–MAX491
120Ω
120Ω
DATA IN
DATA OUT
R
D
RO
RE
DE
DI
A
B
Z
Y
MAX488–MAX491
NOTE: RE AND DE ON MAX489/MAX491 ONLY.
Isolated RS-485
For isolated RS-485 applications, see the MAX253 and
MAX1480 data sheets.










