Datasheet

MAX4051/A, MAX4052/A, MAX4053/A
Low-Voltage, CMOS Analog
Multiplexers/Switches
16 ______________________________________________________________________________________
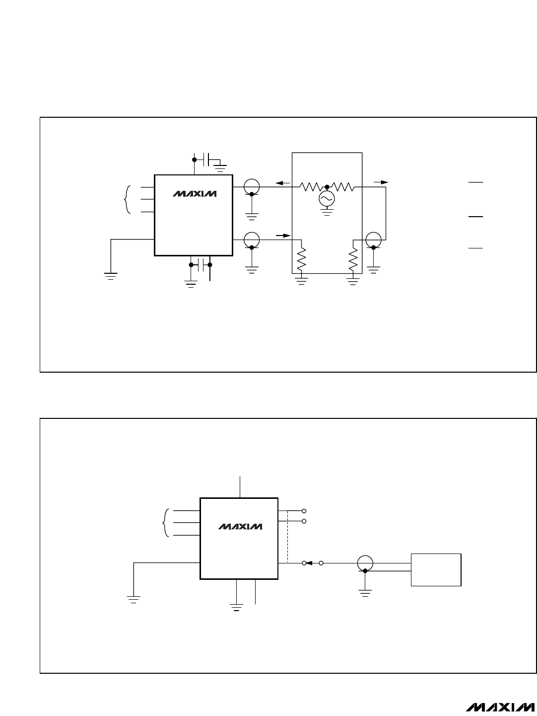
MEASUREMENTS ARE STANDARDIZED AGAINST SHORT AT SOCKET TERMINALS.
OFF-ISOLATION IS MEASURED BETWEEN COM AND "OFF" NO TERMINAL ON EACH SWITCH.
ON-LOSS IS MEASURED BETWEEN COM AND "ON" NO TERMINAL ON EACH SWITCH.
CROSSTALK (MAX4052 AND MAX4053) IS MEASURED FROM ONE CHANNEL (A, B, C) TO ALL OTHER CHANNELS.
SIGNAL DIRECTION THROUGH SWITCH IS REVERSED; WORST VALUES ARE RECORDED.
V+
V
OUT
V
IN
V-
GND
V+
V
IN
V
OUT
MEAS.
NETWORK
ANALYZER
50Ω 50Ω
50Ω
OFF-ISOLATION = 20log
ON-LOSS = 20log
CROSSTALK = 20log
50Ω
REF.
ADDB
V-
V
OUT
V
IN
V
OUT
V
IN
ADDC
CHANNEL
SELECT
ADDA
INH
NO
COM
10nF
10nF
MAX4051/A
MAX4052/A
MAX4053/A
Figure 6. Off-Isolation, On-Loss, and Crosstalk
V+
V-
GND
V+
ADDB
V-
ADDC
CHANNEL
SELECT
1MHz
CAPACITANCE
ANALYZER
ADDA
INH
NO
NO
COM
MAX4051/A
MAX4052/A
MAX4053/A
Figure 7. NO/COM Capacitance










