Datasheet

MAX1916
Setting the Output Current
SET controls the LED bias current. Current flowing into
LED1, LED2, and LED3 is 230 times greater than the
current flowing into SET. Set the output current as fol-
lows:
where V
SET
= 1.215V, V
CTRL
is an external voltage
between 1.8V and 5.5V, and R
SET
is the resistor con-
nected between V
CTRL
and SET (Figure 1).
Applications Information
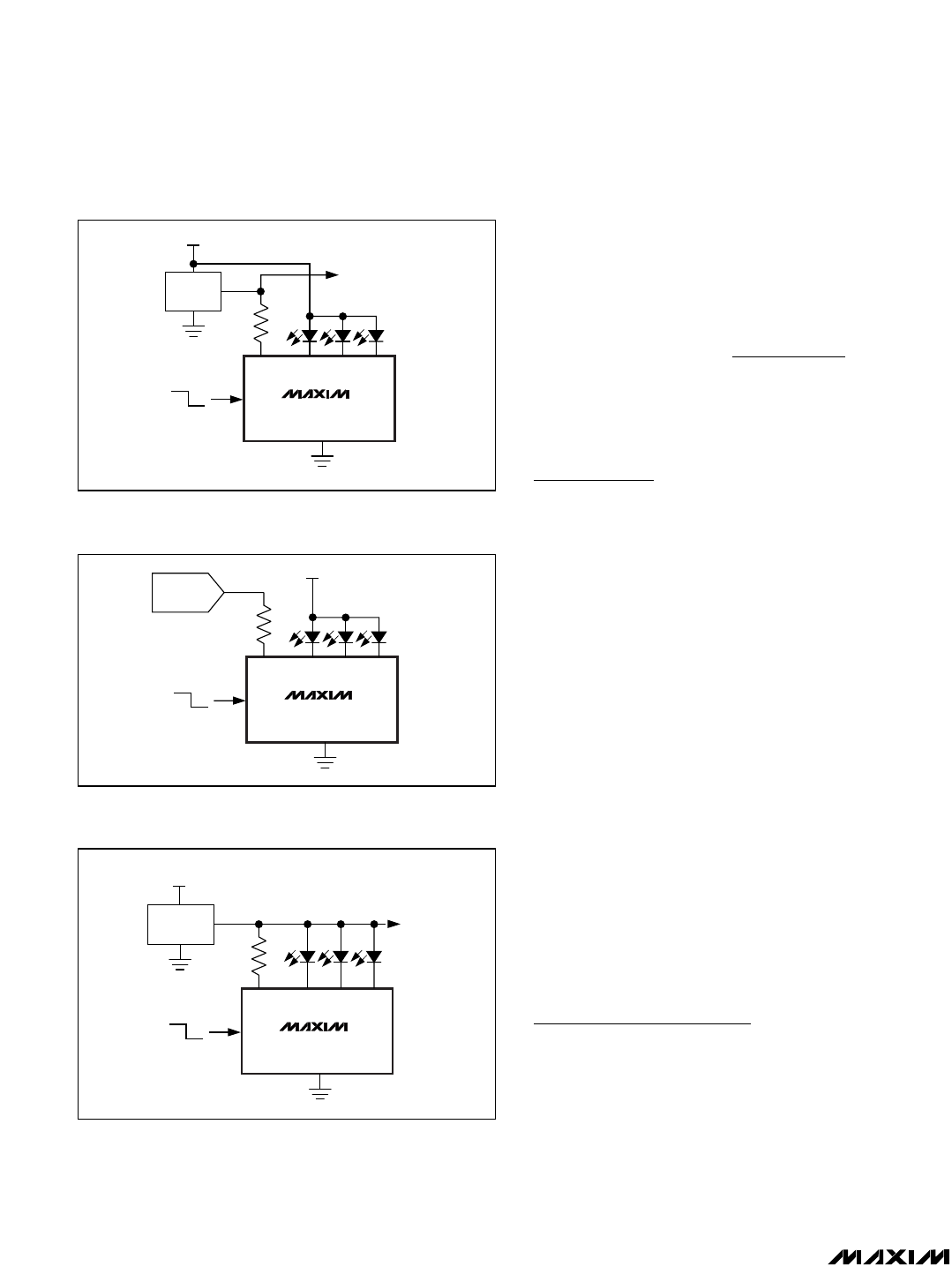
1) Very Low-Cost, High-Efficiency Solution (Figure 2).
A battery (single Li+ or three NiMH cells) powers
the LEDs directly. This is the least expensive and
most efficient architecture. Due to the high forward
voltage of white LEDs (3.3V), the LED brightness
may dim slightly at the end of battery life. The
MAX1916’s current-regulating architecture and low
dropout greatly minimize this effect compared to
using simple ballast resistors. The enable function
of the MAX1916 turns on and off the LEDs. An exist-
ing low-dropout regulator is used as V
CTRL
.
2) Brightness Adjustment Using a DAC (Figure 3). A
DAC is used as V
CTRL
such that the LED brightness
may be dynamically adjusted to eliminate factory
calibration. A battery (single Li+ or three NiMH
cells) or a regulated power source drives the LEDs.
3) Existing 5V Supply (Figure 4). Use an existing sys-
tem regulator, such as the MAX684, to provide the
required LED voltage and provide power to other
circuits. Due to the high forward voltage of white
LEDs (3.3V), use a 3.6V to 5.5V regulated supply to
provide enough voltage headroom such that the
LEDs will maintain constant brightness for any bat-
tery voltage. Use the existing regulated supply as
V
CTRL
.
Chip Information
TRANSISTOR COUNT: 220
PROCESS: BiCMOS
I
VV
R
LED
CTRL SET
SET
_
()
=
−
230
Low-Dropout, Constant-Current
Triple White LED Bias Supply
6 _______________________________________________________________________________________
MAX1916
ON
EN
OFF
EXISTING
LDO
GND
SET
LED1 LED2 LED3
V
CTRL
V+
TO OTHER
CIRCUITS
Figure 2. Very Low-Cost, High-Efficiency Solution
MAX1916
ON
EN
OFF
DAC
GND
SET
LED1 LED2 LED3
V
CTRL
V+
Figure 3. Brightness Adjust Using DAC
MAX1916
ON
EN
OFF
EXISTING
REGULATOR
GND
SET
LED1 LED2 LED3
V
BATT
V+
5.0V
TO OTHER
CIRCUITS
Figure 4. Existing 5V Supply Circuit







