Datasheet
Table Of Contents
- MAX17505 5V Output Evaluation Kit
- General Description
- Features
- Component List
- Component Suppliers
- Quick Start
- Recommended Equipment
- Procedure
- Detailed Description
- Soft-Start Input (SS)
- Regulator Enable/Undervoltage-Lockout Le
- INUR11.215R2(V1.215)×=−
- MODE Selection (MODE)
- External Clock Synchronization (SYNC)
- EV Kit Test Report
- Ordering Information
- Revision History
- LIST OF FIGURES
- Figure 1. MAX17505 5V Output Load and Li
- Figure 2. MAX17505 5V Output Efficiency
- Figure 3. MAX17505 5V Output Load and Li
- Figure 4. MAX17505 5V Output Efficiency
- Figure 5. MAX17505 5V Output Efficiency
- Figure 6. MAX17505 5V Output Full Load B
- Figure 7. MAX17505 5V Output, No Load to
- Figure 8. MAX17505 5V Output, 5mA to 0.8
- Figure 9. MAX17505 5V Output, 50mA to 0.
- Figure 10. MAX17505 5V Output, 0.85A to
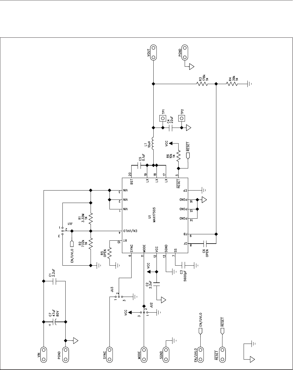
- Figure 11. MAX17505 5V Output EV Kit Sch
- Figure 12. MAX17505 5V Output EV Kit Com
- Figure 13. MAX17505 5V Output EV Kit Com
- Figure 14. MAX17505 5V Output EV Kit PCB
- Figure 15. MAX17505 5V Output EV Kit PCB
- Figure 16. MAX17505 5V Output EV Kit PCB
- Figure 17. MAX17505 5V Output EV Kit Com
- Figure 18. MAX17505 5V Output EV Kit Com
- LIST OF TABLES











