Datasheet
Table Of Contents
- General Description
- Features
- Component List
- Component Suppliers
- Quick Start
- Detailed Description of Hardware
- Ordering Information
- Revision History
- LIST OF FIGURES
- Figure 1. MAX17502F Load and Line Regulation
- Figure 2. MAX17502F Efficiency
- Figure 3. MAX17502F Full Load Bode Plot (VIN = 24V)
- Figure 5. MAX17502F 250mA to 500mA Load Transient
- Figure 4. MAX17502F No Load to 250mA Load Transient
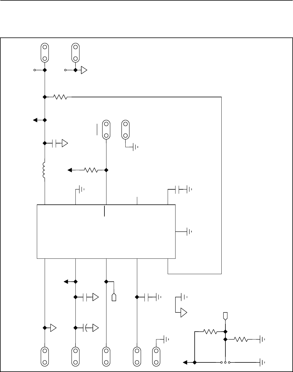
- Figure 6. MAX17502F EV Kit Schematic
- Figure 7. MAX17502F EV Kit Component Placement Guide—Component Side
- Figure 8. MAX17502F EV PCB Layout—Component Side
- Figure 9. MAX17502F EV Kit PCB Layout—Solder Side
- Figure 10. MAX17502F EV Kit PCB Layout—Top Solder Mask
- Figure 11. MAX17502F EV Kit PCB Layout—Bottom Solder Mask
- LIST OF TABLES

MaximIntegrated
│
5
MAX17502F Evaluation Kit Evaluates: MAX17502F in TDFN Package
www.maximintegrated.com
Figure 6. MAX17502F EV Kit Schematic
EP
5V/1A
1
PGND
2
VIN
3
EN/UVLO
4
VCC
5
FB/VO
10
LX
9
GND
8
RESET
7
N. C.
6
SS
U1
MAX17502
L1
22uH
C4
10uF
R4
100
VOUT
C3
3300pF
R6
1%
10k
C2
1uF
1
2
3
JU1
R1
1%
3.32M
R2
1%
866k
C1
2.2uF
VIN
PGND
+
C7
33uF
RESET
PGND
EN/UVLO
VCC
GND
GND
TP1
TP2
EN/UVLO
VIN
VIN
EN/UVLO
VOUT
VOUT








