Datasheet

MAX16822A/MAX16822B
2MHz, High-Brightness LED Drivers with
Integrated MOSFET and High-Side Current Sense
6 _______________________________________________________________________________________
V
CC
REGULATOR
LX
IN
CS
DIM
TEMP_I
V
TFB_ON
2V
PGND
GND
CURRENT-SENSE
COMPARATOR
PWM
DIMMING
0.85Ω, 65V
DMOS SWITCH
UVLO
COMPARATOR
THERMAL
FOLDBACK
COMPARATOR
BANDGAP
REFERENCE
DIM
BUFFER
V
CC
_ANA
V
CC
_ANA
V
CC
_ANA
I
SET
25μA
1.23V
GATE
DRIVER
MAX16822A
MAX16822B
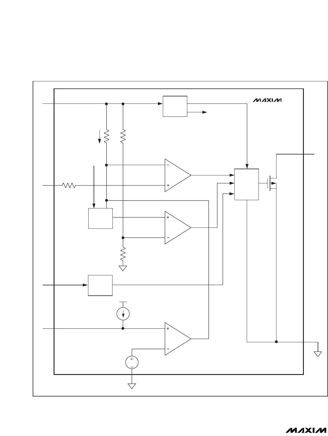
Figure 1. Internal Block Diagram










