Datasheet

MAX15012/MAX15013
175V/2A, High-Speed,
Half-Bridge MOSFET Drivers
______________________________________________________________________________________ 17
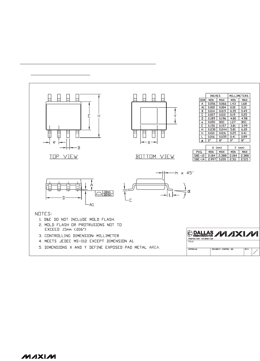
8L, SOIC EXP. PAD.EPS
C
1
1
21-0111
PACKAGE OUTLINE
8L SOIC, .150" EXPOSED PAD
Package Information (continued)
(The package drawing(s) in this data sheet may not reflect the most current specifications. For the latest package outline information
go to www.maxim-ic.com/packages
.)










