Datasheet

MAX15012/MAX15013
175V/2A, High-Speed,
Half-Bridge MOSFET Drivers
______________________________________________________________________________________ 11
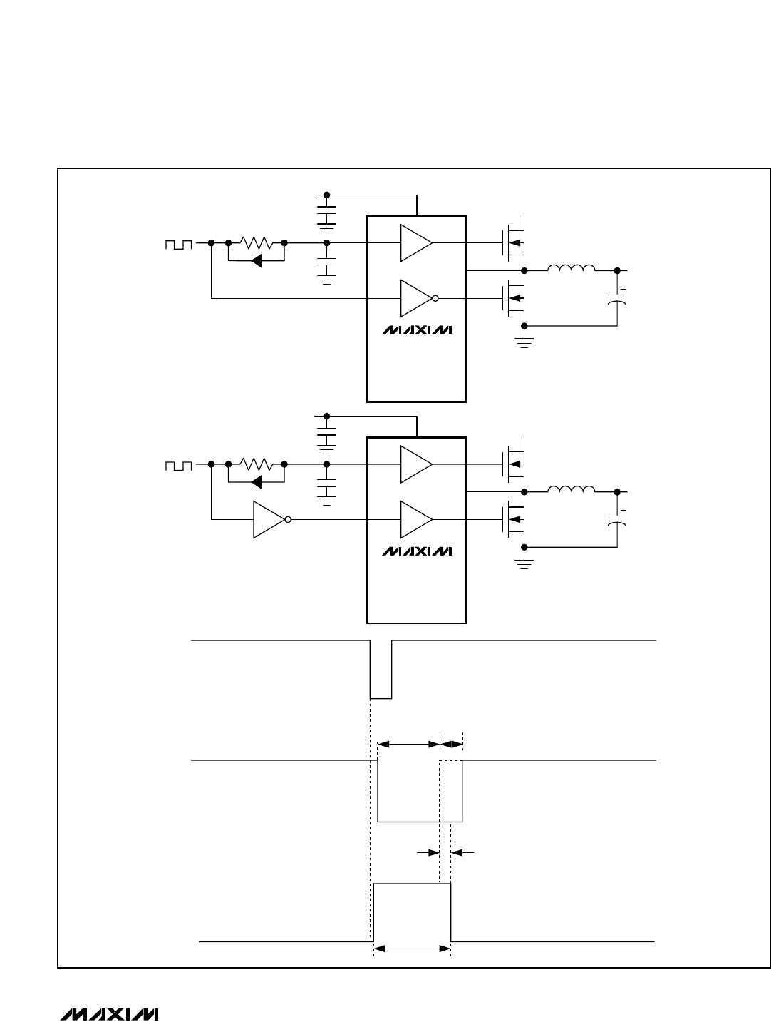
Figure 3. Minimum Pulse-Width Behavior for High Duty-Cycle Input (Off-Time < t
PW-min
)
PW-MIN
DH
DL
INH
INL
DH
HS
N
DL
N
V
IN
V
OUT
V
DD
EXTERNAL
BBM DELAY
MAX15012B/
MAX15012D/
MAX15013B/
MAX15013D
PW-MIN
INH
INL
DH
HS
N
DL
N
V
IN
V
OUT
V
DD
EXTERNAL
BBM DELAY
MAX15012A/C
MAX15013A/C
PW-MIN
t
DMIN-DH-L
t
DMIN-DL-H
EXTERNAL
BBM DELAY
POTENTIAL
OVERLAP TIME










