Datasheet

MAX1377/MAX1379/MAX1383
Dual, 12-Bit, 1.25Msps Simultaneous-Sampling
ADCs with Serial Interface
22 ______________________________________________________________________________________
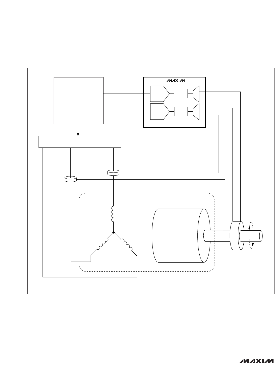
MAX1383
12-BIT
ADC
12-BIT
ADC
T/H
T/H
DSP-BASED DIGITAL
PROCESSING ENGINE
IGBT CURRENT DRIVERS
CURRENT
SENSORS
I
PHASE3
= - I
PHASE1
- I
PHASE2
I
PHASE1
I
PHASE2
PHASE 2
PHASE 3
PHASE 1
THREE-PHASE ELECTRIC MOTOR
SIN/COS
POSITION
RESOLVER
AIN1A
AIN1B
AIN2A
AIN2B
MISO1
MISO2
Figure 16. Three-Phase Motor Control










