Datasheet
Manuals
Brands
MAXIM INTEGRATED Manuals
PMICs
PMIC - system monitor Reset/power-on reset TO 92 3
1
2
3
4
5
DS1810
3 of 5
AP
P
L
I
C
ATI
O
N D
I
AG
R
AM
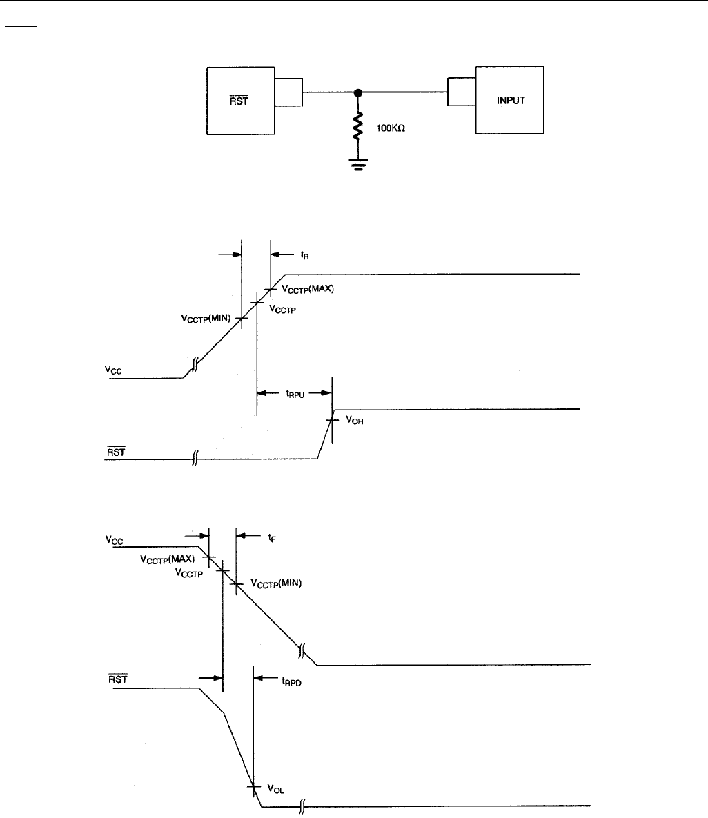
:
RST
VALID TO 0
VOLTS VCC ON THE DS1810
Figure
3
TIMING DIAGRAM: POWER-UP
Figure 4
TIMING DI
A
GR
A
M: POWER-DOWN
Figure 5
1
2
3
4
5