Datasheet
Manuals
Brands
MAXIM INTEGRATED Manuals
Integrated Circuits (ICs)
256 kBit 32 K x 8
1
2
3
4
5
6
7
8
9
10
DS1330
Y/AB
6
of 1
0
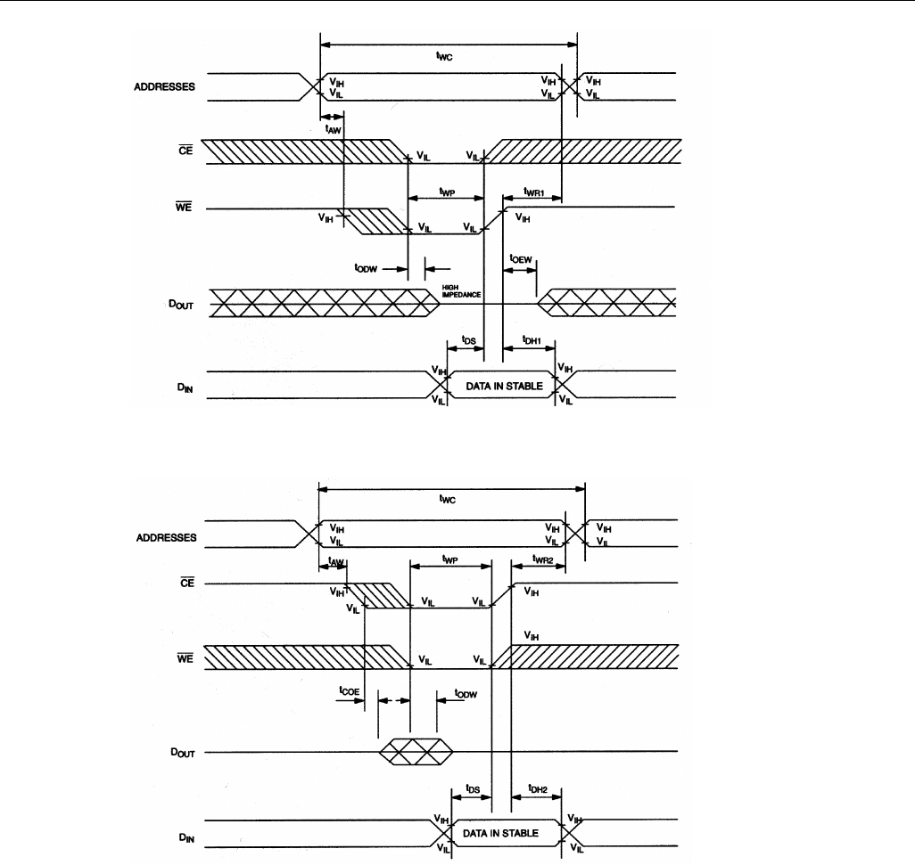
WR
ITE C
YC
LE
1
SEE NOT
ES 2, 3, 4, 6, 7, 8, and 12
WR
ITE C
YC
LE
2
SEE NOT
ES 2, 3, 4, 6, 7, 8, and 13
1
...
...
4
5
6
7
8
9
...
10