User Manual

( 4 ) 370-100-350 © 2002 Max Machinery, Inc.
BASIC APPLICATION
Basic Application Description
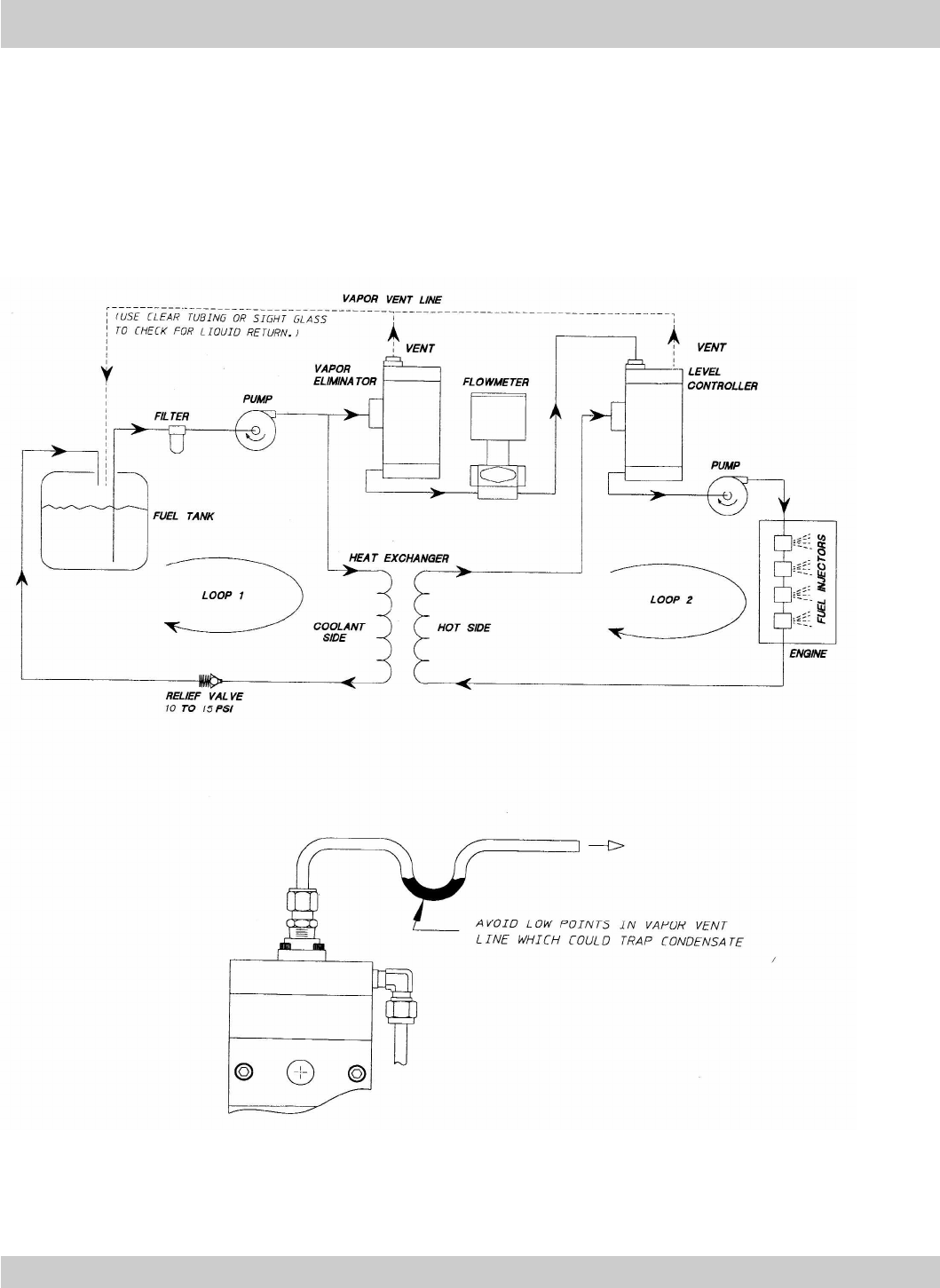
The diagram below shows the arrangement of components in a typical fuel-measurement system. Note the proximity of the
vapor eliminator to the flowmeter. Note that the vapor vent line returns to the fuel tank; merging with the vent line of the
level control tank is an acceptable practice.