Service manual
Manuals
Brands
Matrix Manuals
Exercise Bike
h5x-02
11
12
13
14
15
16
17
18
19
20
15
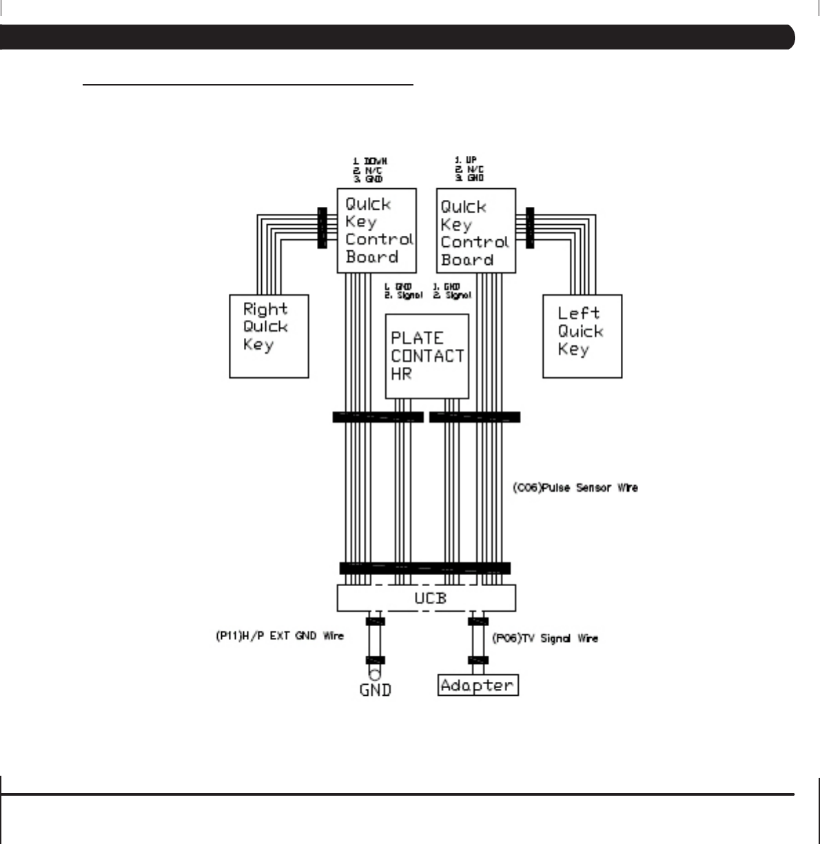
7.1 ELECTRICAL
DIAGRAMS
CHAPTER
7:
TROUBLESHOOTING
1
...
...
17
18
19
20
21
...
...
64