Use And Care Manual
Manuals
Brands
Masterforce Manuals
Power Drills & Impact Drivers
10-Amp Corded 5/8" Mixer Drill
11
12
13
14
15
16
17
18
19
20
18
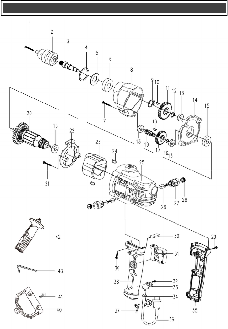
EXPLODED VIEW
1
...
...
16
17
18
19
20
21
...
22