Installation manual

27
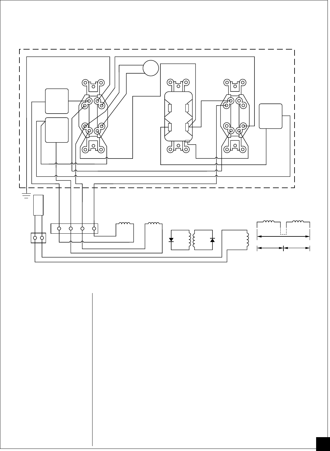
WIRING
DIAGRAMS
Continued
120/240V 30A
Receptacle
T4
120V, 15A
Receptacle
Circuit
Breaker
20A
Green
Black
Black
Black
Red
Black
T3
White
Green
RedT1
T2
White
Circuit
Breaker
30A
Circuit
Breaker
30A
Black
Red
Yellow
Green/Yellow
Stator
110/120V
T1 T2 T3 T4
L2
L1
110/120V
220/240V
T2
Green
Red
Black
Yellow
Main
Windings
T1
T3
T4
T1 T2T3T4
Rotor
Diode
Diode
Stator
White
Brown
Capacitor
White
White
Black
White
Run
Light
GFCI
120V, 15A
Receptacle
Auxiliary
Phase
LINE
WHITE
HOT
Figure 23 - Wiring Diagram, Model MGH7000
Parts Company of America
1657 Shermer Road
Northbrook, IL 60062
1-800-323-0620
(708) 498-5900
Parts Department
Portable Heater Parts
342 N. County Road 400 East
Valparaiso, IN 46383
1-800-362-6951
(219) 462-7441
Parts Department
Master Service Center
1184 Wilson NW
Grand Rapids, MI 49504
1-800-446-1446
(616) 791-4760
Mike Fowler
MTA Distributors
2940 Foster Creighton Drive
Nashville, TN 37204
1-800-264-0225
(615) 726-2225
Greenwood Electric Motor
8719 Greenwood N.
Seattle, WA 98103
(206) 782-8181
Bob Palmer
These Parts Centrals are privately owned businesses. They have agreed to support
our customer’s needs by providing original replacement parts and accessories.
PARTS
CENTRALS