- Master Portable Gasoline Generator Owner's Operation And Installation Manual

17
117846
OWNER’S MANUAL
Red
Ye
llow
Green/Y
ellow
Gr
n/
Ylw
Gr
n/
Ylw
Grn/
Ylw
Green/
Ye
llow
Green/
Yellow
Green/Yellow
Green/
Yellow
Green/
Yellow
To Roll CageTo
Alternator
Ground
Blue
Red
Black
Gray
Gray
Blk
Blk
Blk
Black
Red
Red
Red
Red
Red
Red
Red
Red
Green
Green
120/240V
20A/30A
Receptacle
120/240V
20A/30A
Receptacle
120V
, 30A
Receptacle
120V
, 15A
Receptacle
120V
, 20A
Receptacle
White
Wht
Wht
Wht
White
White
White
Au
t
o-Idle
Auto-Idle
Control Board
P2
P5
P1 P4 P3
Circuit
Break
er
20A
Circuit
Break
er
20A
Circuit
Break
er
45A
Circuit
Break
er
45A
T2
T1
T3
T4
T1
T2
T3
T4
Rotor
Diode
Diode
Green
Red
Blac
k
Blue
Stator
110/120V
T1
T2
T3
T4
L2
L1
110/120V
220/240V
A
uxiliar
y
Phase
Stator
White
Bro
wn
Capacitor
White
White
Main
Windings
GFCI
LI
N
E
W
H
IT
E
H
O
T
Duplex
Hour
Meter
Gray
Gray
Gray
Blue
Blue
P5-2
P5-4
P5-1
P5-3
To
Auto-Idle
Solenoid
To
Po
wer Supply
On Engine
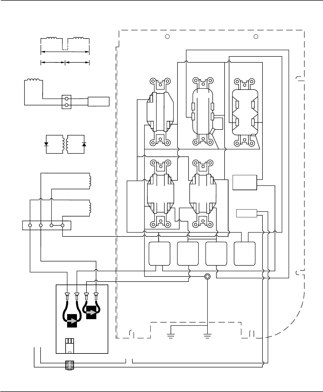
Figure 23 - Wiring Diagram, Model MGH8500AIE
WIRING DIAGRAMS
(Continued)










