Service manual
Manuals
Brands
Master Bilt Manuals
Kitchen Appliances
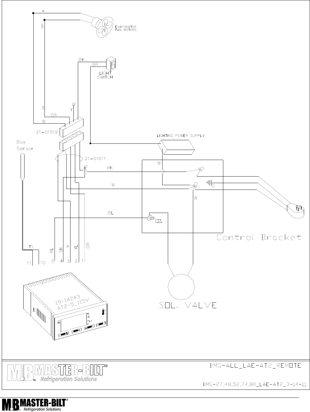
LAE Controller BMG/TMG 74 s
8
9
10
11
12
13
14
15
16
17
17
1
...
...
15
16
17