User Manual
Manuals
Brands
Magnum Venus Plastech Manuals
Equipment
CB-6000-GT Glass Monitor
28
29
30
31
32
33
34
35
36
37
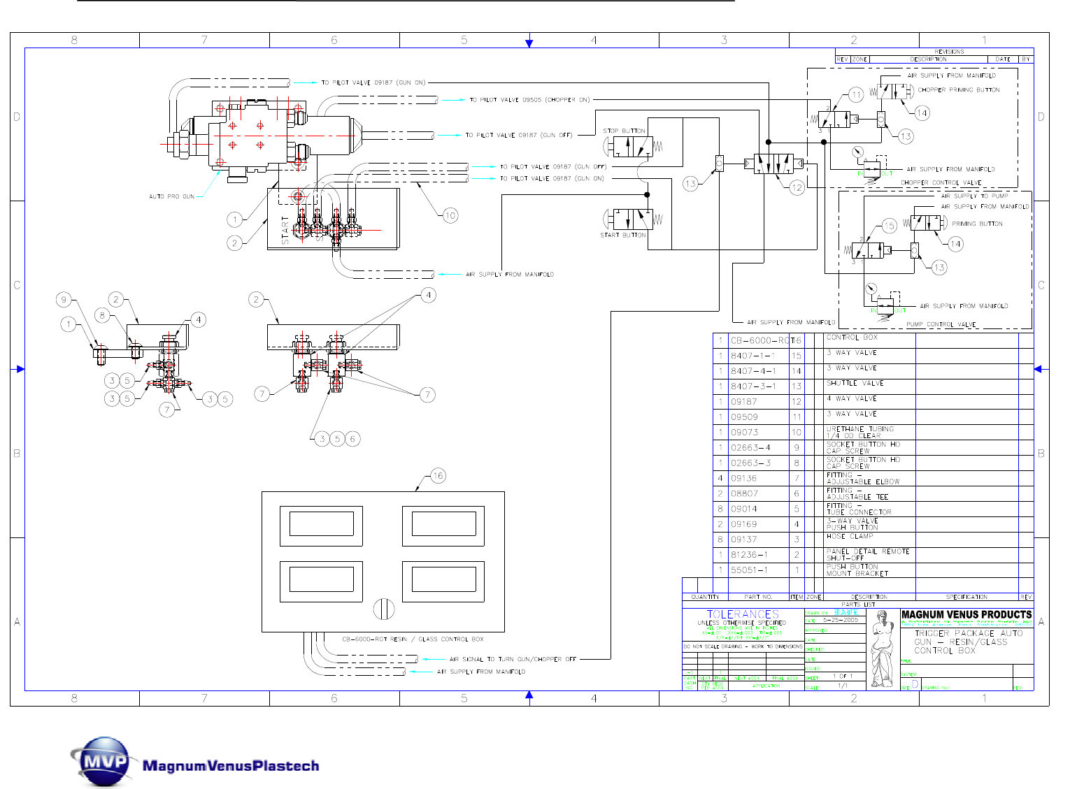
CB-6000-G
T Materia
l Monitor M
anual
Rev. 10/2012
Page | 33
EXHAUST
EXHAUST
1
...
...
31
32
33
34
35
36
...
37