User Manual

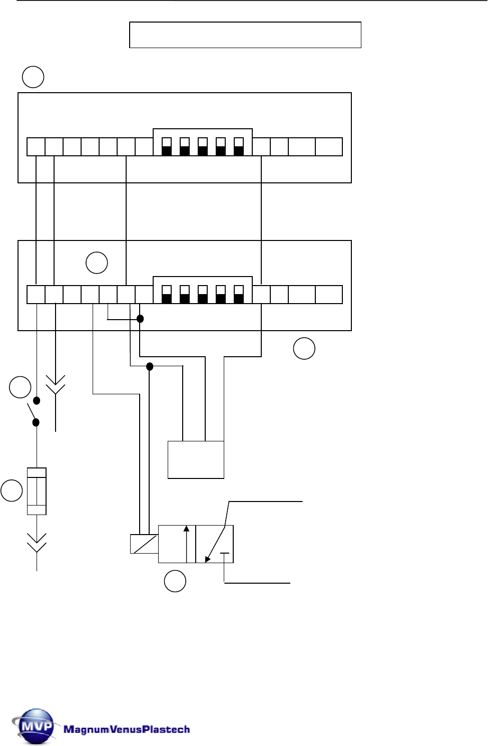
CB-6000-GT Material Monitor Manual
Rev. 10/2012 Page | 31
NEUT
Signal to Turn Off Pump and Gun
115VAC or 230VAC Air Supply from Manifold
GLASS RATE METER
1
2
4
5
4
3
5
9
10
11
GLASS TOTAL METER
1
2
20
21
4
3
5
9
10
11
Glass
Sensor
Out 1
COM
+12
SIGA
.75A FUSE
1
1
3
4
5
GLASS CONTROLLER BOX
79280-1 GLASS SENSOR ASSY
2
COM
C
O
M