Installation Guide

Page 8
© 2010 Magnum Energy, Inc.
Installation
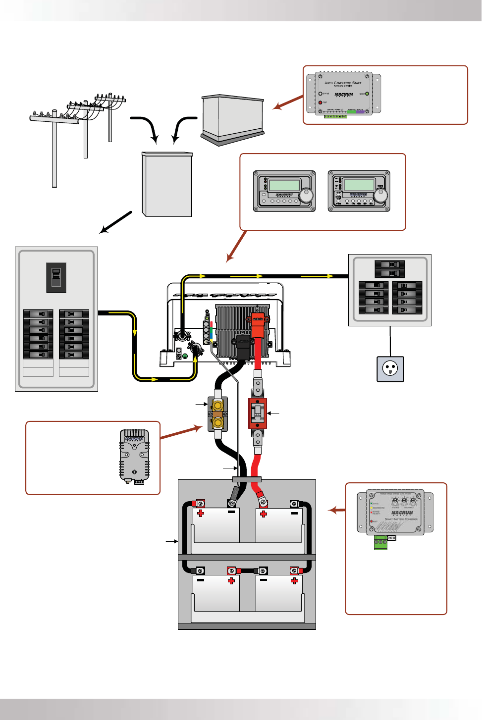
Figure 2-1, Simplifi ed Installation Diagram for Permanent Installations
Battery Bank
230 VAC
power to
inverter
ON
OFF
ON
OFF
ON
OFF
ON
OFF
ON
OFF
ON
OFF
ON
OFF
ON
OFF
230
VAC
DC
Overcurrent
protection
(Breaker or
Fuse/switch)
RD-E
Series
Inverter/
Charger
Main Panel
Sub-panel
230 VAC Inverter power
(or 230 VAC pass-thru power)
to Sub-panel
ME-BMK
Battery Monitor with
shunt
(Magnum Accessory )
DC
Shunt
AC
Transfer
Switch
Generator Power
230 VAC Output
Utility Power
230 VAC Output
F
lu
x
C
a
pa
c
ito
r
G
e
ne
ra
t
or
ON
OFF
ON
OFF
ON
OFF
ON
OFF
ON
OFF
ON
OFF
ON
OFF
ON
OFF
ON
OFF
ON
OFF
ON
OFF
ON
OFF
ON
OFF
BTS
ON
OFF
ON
OFF
30 A
30A
ME-SBC
Smart Battery
Combiner
(Magnum Accessory )
ME-AGS-N
Auto Gen Start
Controller
(Magnum Accessory )
SELECT
TECHAG S M ETER SETUPSHO REINVERTER
CHARG E R
INV
CHG
FA U LT
PWR
ON/ OFF
ON/ OFF
Remote Controls (Magnum Accessories )
ME-RC50
ME-ARC50










