manual
Manuals
Brands
LYNX Manuals
Grill Types
Lynx® Sedona 42" Stainless Steel Built In Grill-L700R-NG
31
32
33
34
35
36
37
38
39
40
32
|
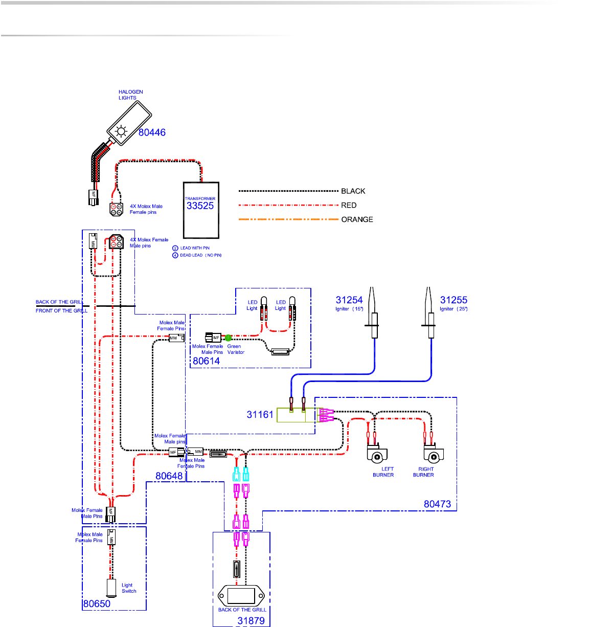
SEDONA CARE & USE/INST
ALLA
TION
WIRING SCHEMA
TICS
L500 NON-ROTISSERIE GRILL
1
...
...
30
31
32
33
34
...
...
40