Care and Use Manual / Installation
Manuals
Brands
Lynx Manuals
Natural Gas Grills
Lynx Professional 42" Sedona Natural Gas Freestanding Grill
31
32
33
34
35
36
37
38
39
40
34
|
SEDONA CARE & USE/INST
ALLA
TION
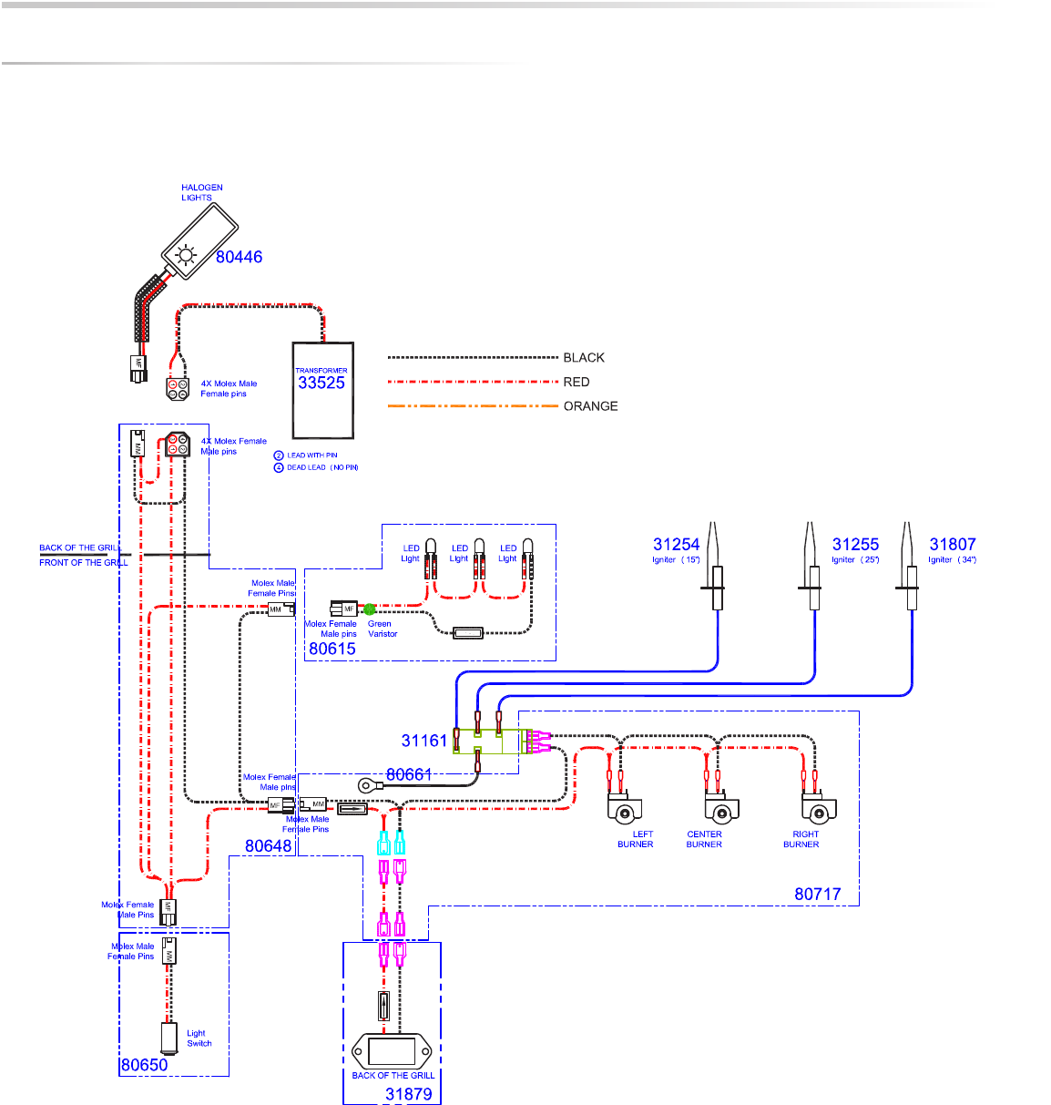
WIRING SCHEMA
TICS
L600/L700 NON-ROTISSERIE GRILL
1
...
...
32
33
34
35
36
...
...
40