Sedona Grills Use and Care
Manuals
Brands
Lynx Manuals
Liquid Propane Gas Grills
Lynx Professional 42" Sedona Liquid Propane Freestanding Grill
31
32
33
34
35
36
37
38
39
40
34
|
SEDONA CARE & USE/INST
ALLA
TION
WIRING SCHEMA
TICS
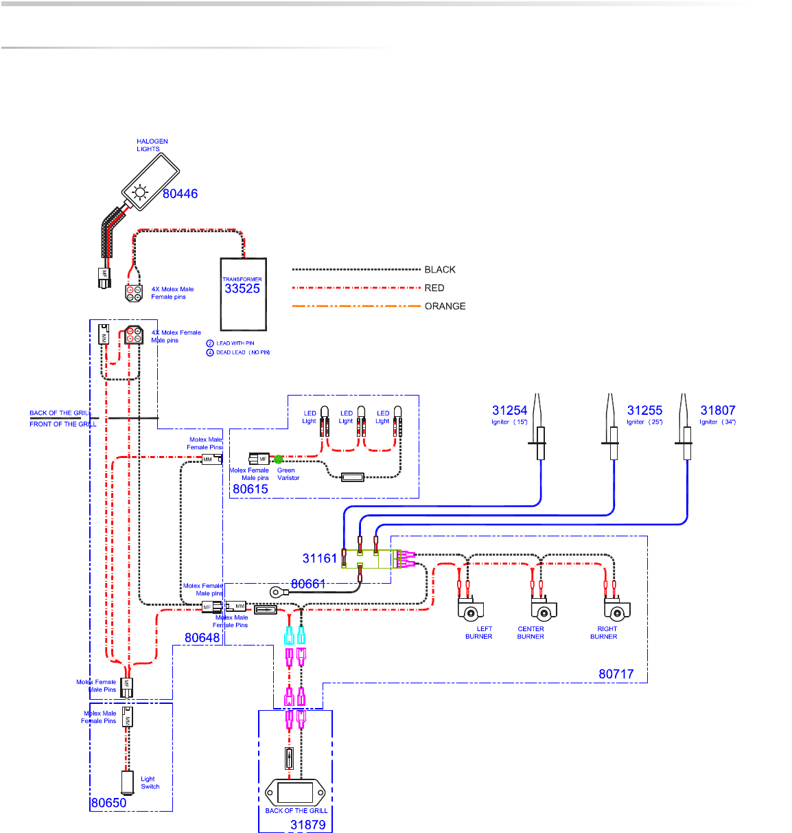
L600/L700 NON-ROTISSERIE GRILL
1
...
...
32
33
34
35
36
...
...
40