Sedona Grills Use and Care
Manuals
Brands
Lynx Manuals
Liquid Propane Gas Grills
Lynx Professional 42" Sedona Liquid Propane Freestanding Grill
31
32
33
34
35
36
37
38
39
40
SEDONA CARE & USE/INST
ALLA
TION
|
33
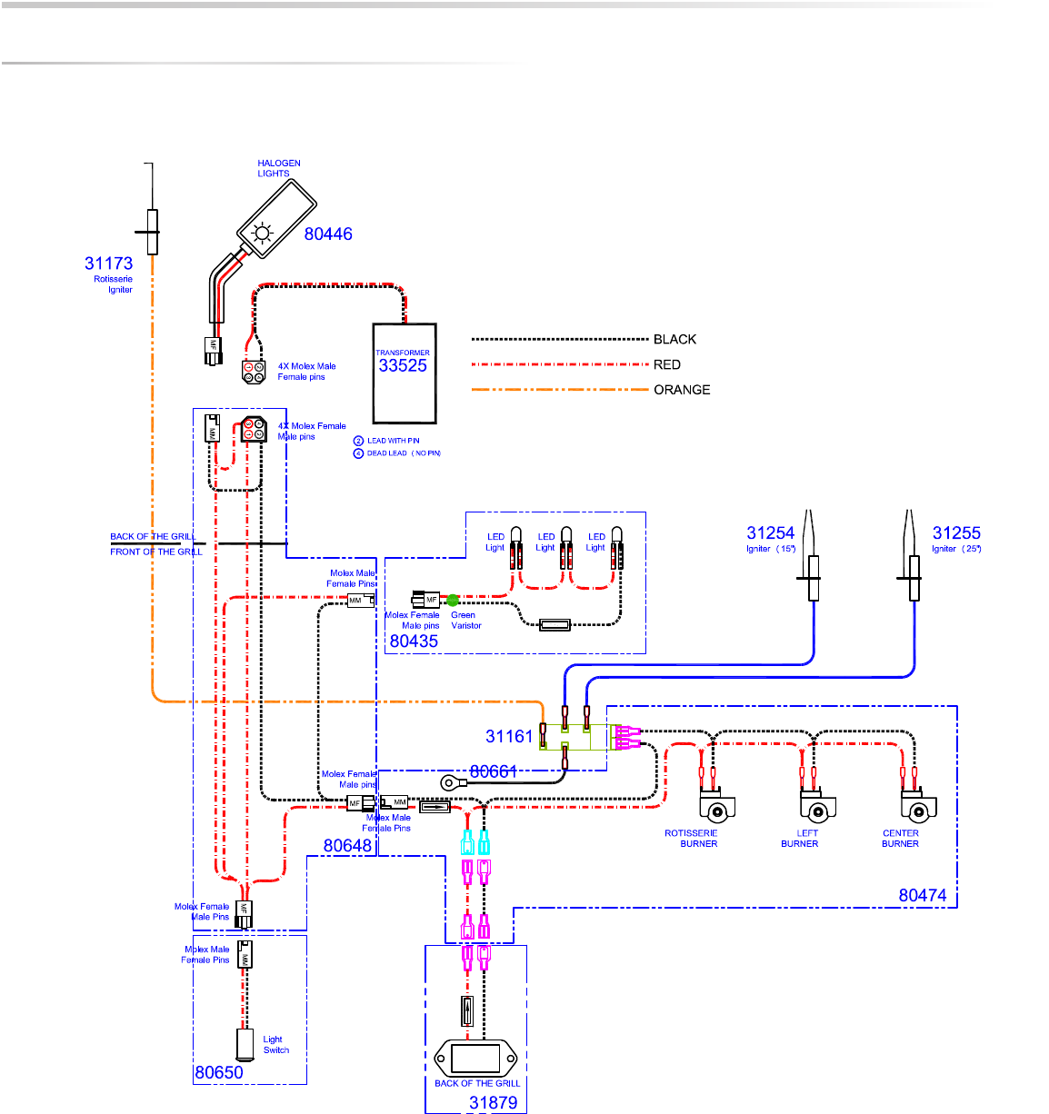
WIRING SCHEMA
TICS
L400/L500 ROTISSERIE GRILL
1
...
...
31
32
33
34
35
...
...
40