Care and Use Manual / Installation
Manuals
Brands
Lynx Manuals
Liquid Propane Gas Grills
Lynx Professional 42" Sedona Liquid Propane Freestanding Grill
31
32
33
34
35
36
37
38
39
40
SEDONA CARE & USE/INST
ALLA
TION
|
33
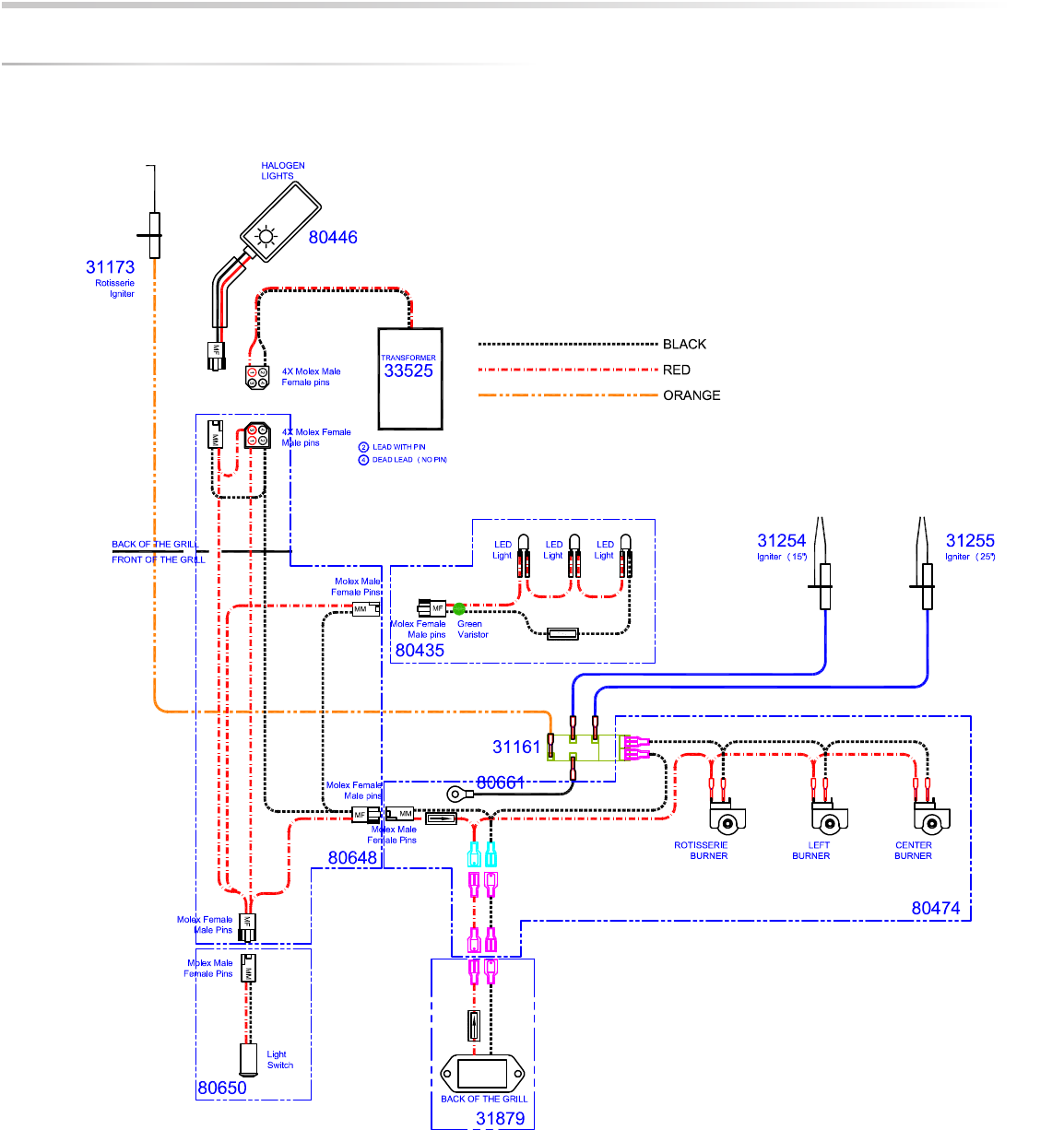
WIRING SCHEMA
TICS
L500 ROTISSERIE GRILL
1
...
...
31
32
33
34
35
...
...
40