Care and Use Manual / Installation
Manuals
Brands
Lynx Manuals
Liquid Propane Gas Grills
Lynx Professional 42" Sedona Liquid Propane Freestanding Grill
31
32
33
34
35
36
37
38
39
40
34
|
SEDONA CARE & USE/INST
ALLA
TION
WIRING SCHEMA
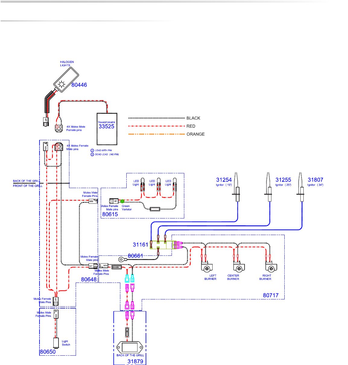
TICS
L600/L700 NON-ROTISSERIE GRILL
1
...
...
32
33
34
35
36
...
...
40