manual
Manuals
Brands
LYNX Manuals
Free Standing Grill
Lynx® Sedona 42" Stainless Steel Freestanding Grill-L700F-NG
31
32
33
34
35
36
37
38
39
40
32
|
SEDONA CARE & USE/INST
ALLA
TION
WIRING SCHEMA
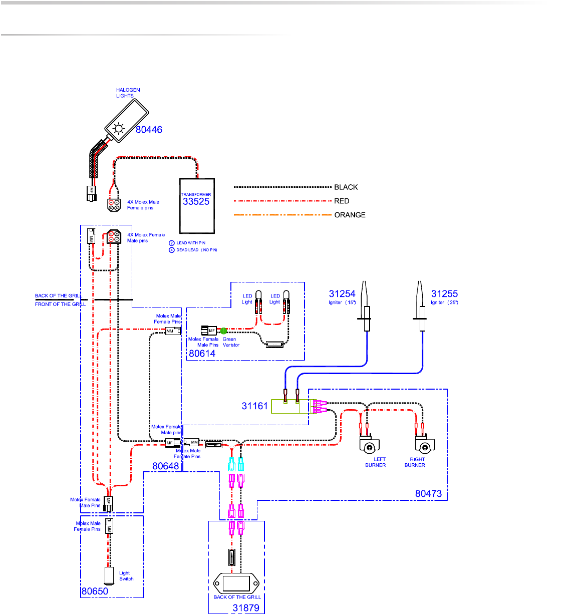
TICS
L500 NON-ROTISSERIE GRILL
1
...
...
30
31
32
33
34
...
...
40